LEMON Manuals: Even more car manuals for everyone
Home >> Subaru >> 2017 >> Outback 2.5i >> Repair and Diagnosis >> Engine Performance >> System >> Engine Control System (Diagnostics - Introduction) (H4DO) >> Diagnostics for Engine Starting Failure >> Starter Motor Circuit >> Model Without Push Button Start

Model Without Push Button Start

CAUTION:
  • After servicing or replacing faulty parts, perform Clear Memory Mode Ref. to OPERATION , Clear Memory Mode, and Inspection Mode Ref. to PROCEDURE , Inspection Mode.
  • Use the check board when measuring the ECM terminal voltage and resistance.

Wiring diagram: 

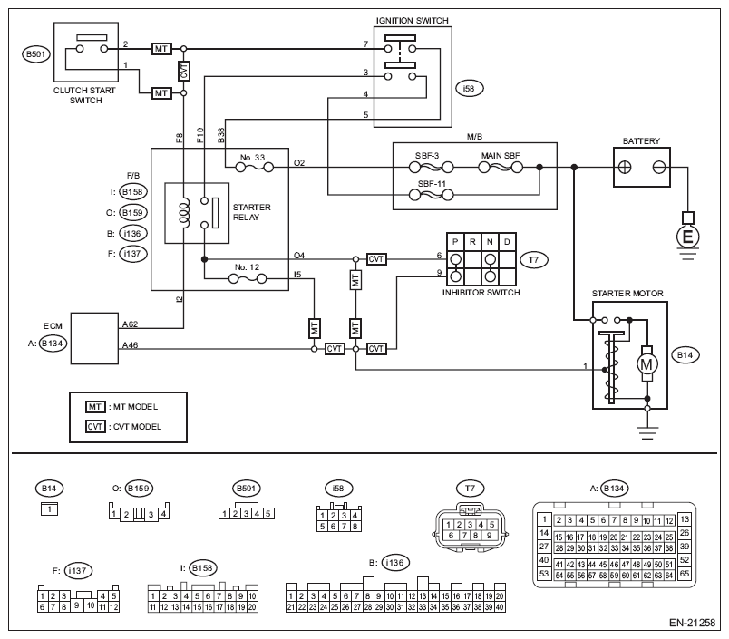
Engine Electrical System Ref. to WIRING DIAGRAM , Engine Electrical System.

Fig 1: Starter Relay "A" Circuit Diagram (Model Without Push Button Start)
G11583287Courtesy of SUBARU OF AMERICA, INC.
Step Check Yes No
1 CHECK BATTERY. 
Check the battery. Ref. to BATTERY
Is the check result OK? Go to step Charge or replace the battery. Ref. to BATTERY
2 CHECK OPERATION OF STARTER MOTOR.  Does the starter motor operate? Go to step Go to step
3 CHECK DTC.  Are any DTCs displayed? Ref. to OPERATION , Read Diagnostic Trouble Code (DTC). Check the appropriate DTC using the "List of Diagnostic Trouble Code (DTC)". Ref. to LIST OF DIAGNOSTIC TROUBLE CODE (DTC)  Check ignition control system. Ref. to IGNITION CONTROL SYSTEM , Diagnostics for Engine Starting Failure.
4 CHECK INPUT SIGNAL FOR STARTER MOTOR. 
  1. Turn the ignition switch to OFF.
  2. Disconnect the connector from starter motor.
  3. Turn the ignition switch to START.
  4. Measure the voltage between the starter motor connector and the engine ground.

Connector & terminal 
(B14) No. 1 (+) - Engine ground (-): 
NOTE:
  • For CVT model, place the select lever in "P" range or "N" range.
  • For MT model, depress the clutch pedal.
Is the voltage 10 V or more? Check the starter motor. Ref. to STARTER Go to step
5 CHECK HARNESS BETWEEN BATTERY AND IGNITION SWITCH CONNECTOR. 
  1. Turn the ignition switch to OFF.
  2. Disconnect the connector from ignition switch.
  3. Measure the power supply voltage between ignition switch connector and chassis ground.

Connector & terminal 
(i58) No. 4 (+) - Chassis ground (-): 
(B159) No. 2 (+) - Chassis ground (-): 
(i136) No. 38 (+) - Chassis ground (-): 
(i58) No. 5 (+) - Chassis ground (-): 
Is the voltage 10 V or more? Go to step Check the harnesses and connectors, and repair or replace them if necessary.
NOTE: In this case, repair the following item:
  • Open circuit of harness between battery and ignition switch connector
  • Blown out of fuse
  • Replacement of F/B
6 CHECK IGNITION SWITCH. 
Measure the resistance between ignition switch terminals after turning the ignition switch to START position.
Terminals 
No. 4 - No. 3: 
No. 5 - No. 7: 
Is the resistance less than 1 Ω? Go to step Replace the ignition switch. Ref. to REPLACEMENT , Ignition Key Lock.
7 CHECK INPUT VOLTAGE OF STARTER RELAY. 
  1. Turn the ignition switch to OFF.
  2. Remove the starter relay.
  3. Connect the connector to ignition switch.
  4. Turn the ignition switch to START position, and measure the voltage between F/B (starter relay) connector and chassis ground.

Connector & terminal 
(i137) No. 8 (+) - Chassis ground (-): 
(i137) No. 10 (+) - Chassis ground (-): 
NOTE: For MT model, depress the clutch pedal.
Is the voltage 10 V or more? Go to step Check the following item and repair if necessary.
  • Blown out of fuse
  • Open circuit or short circuit to ground in harness between F/B (starter relay) and ignition switch connector
  • Poor contact of the clutch start switch connector (MT model)
  • Clutch start switch trouble (MT model)
8 CHECK STARTER RELAY. 
Check the starter relay. Ref. to STARTER RELAY
Is the check result OK? Go to step Replace the F/B (starter relay).
9 CHECK VOLTAGE OF F/B (STARTER RELAY) CONNECTOR. 
  1. Turn the ignition switch to START.
  2. Measure the voltage between F/B (starter relay) connector and engine ground.

Connector & terminal 
CVT model 
(B159) No. 4 (+) - Chassis ground (-): 
MT model 
(B158) No. 5 (+) - Chassis ground (-): 
(B159) No. 4 (+) - Chassis ground (-): 
NOTE:
  • For CVT model, place the select lever in "P" range or "N" range.
  • For MT model, depress the clutch pedal.
Is the voltage 10 V or more? Go to step 10  Replace the F/B.
10 CHECK HARNESS BETWEEN ECM AND STARTER RELAY CONNECTOR. 
  1. Turn the ignition switch to OFF.
  2. Disconnect the connector from ECM.
  3. Measure the resistance of harness between ECM connector and F/B (starter relay) connector.

Connector & terminal 
(B134) No. 62 - (B158) No. 2: 
Is the resistance less than 1 Ω? Go to step 11  Repair the open circuit of harness between ECM connector and starter relay connector.
11 CHECK TRANSMISSION TYPE.  Is the transmission type CVT? Go to step 12  Go to step 15 
12 CHECK HARNESS BETWEEN STARTER RELAY AND INHIBITOR SWITCH CONNECTOR. 
  1. Turn the ignition switch to OFF.
  2. Disconnect the connector from inhibitor switch.
  3. Measure the resistance of harness between F/B (starter relay) connector and inhibitor switch connector.

Connector & terminal 
(B159) No. 4 - (T7) No. 6: 
Is the resistance less than 1 Ω? Go to step 13  Repair the harness and connector.
NOTE: In this case, repair the following item:
  • Open circuit in harness between F/B (starter relay) connector and inhibitor switch connector
  • Poor contact of coupling connector
13 CHECK HARNESS BETWEEN INHIBITOR SWITCH AND STARTER MOTOR. 
Measure the resistance of harness between the inhibitor switch connector and starter motor.
Connector & terminal 
(T7) No. 9 - (B14) No. 1: 
Is the resistance less than 1 Ω? Go to step 14  Repair the harness and connector.
NOTE: In this case, repair the following item:
  • Open circuit in harness between inhibitor switch connector and starter motor
  • Poor contact of coupling connector
14 CHECK INHIBITOR SWITCH. 
  1. Place the select lever in "P" range and "N" range.
  2. Measure the resistance between inhibitor switch terminals.

Terminals 
No. 6 - No. 9: 
Is the resistance less than 1 Ω? Check the engine control module (ECM) power supply and ground line. Ref. to CHECK POWER SUPPLY AND GROUND LINE OF ENGINE CONTROL MODULE (ECM) , Diagnostics for Engine Starting Failure. Replace the inhibitor switch. Ref. to INHIBITOR SWITCH
15 CHECK HARNESS BETWEEN STARTER RELAY AND STARTER MOTOR. 
Measure the resistance of harness between F/B (starter relay) connector and starter motor.
Connector & terminal 
(B159) No. 4 - (B14) No. 1: 
Is the resistance less than 1 Ω? Check the engine control module (ECM) power supply and ground line. Ref. to CHECK POWER SUPPLY AND GROUND LINE OF ENGINE CONTROL MODULE (ECM) , Diagnostics for Engine Starting Failure. Repair the open circuit of harness between F/B (starter relay) connector and starter motor.