LEMON Manuals: Even more car manuals for everyone
Home >> Subaru >> 2017 >> Outback 2.5i >> Repair and Diagnosis >> Engine Performance >> System >> Engine Control System (Diagnostics - Introduction) (H4DO) >> Diagnostics for Engine Starting Failure >> Starter Motor Circuit >> Model With Push Button Start

Model With Push Button Start

CAUTION:
  • After servicing or replacing faulty parts, perform Clear Memory Mode Ref. to OPERATION , Clear Memory Mode, and Inspection Mode Ref. to PROCEDURE , Inspection Mode.
  • Use the check board when measuring the ECM terminal voltage and resistance.

Wiring diagram: 

Engine Electrical System Ref. to WIRING DIAGRAM , Engine Electrical System.

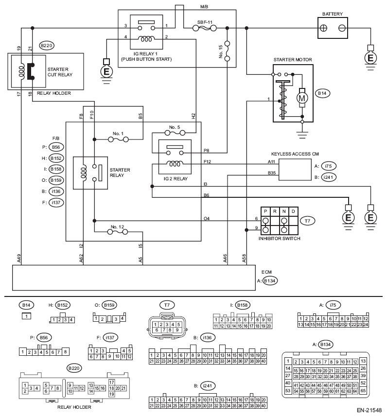
Fig 1: Starter Relay "A" Circuit Diagram (Model With Push Button Start)
G11583288Courtesy of SUBARU OF AMERICA, INC.
Step Check Yes No
1 CHECK BATTERY. 
Check the battery. Ref. to BATTERY
Is the check result OK? Go to step Charge or replace the battery. Ref. to BATTERY
2 CHECK OPERATION OF STARTER MOTOR.  Does the starter motor operate? Go to step Go to step
3 CHECK DTC.  Are any DTCs displayed? Ref. to OPERATION , Read Diagnostic Trouble Code (DTC). Check the appropriate DTC using the "List of Diagnostic Trouble Code (DTC)". Ref. to LIST OF DIAGNOSTIC TROUBLE CODE (DTC)  Check ignition control system. Ref. to IGNITION CONTROL SYSTEM , Diagnostics for Engine Starting Failure.
4 CHECK PUSH BUTTON IGNITION SWITCH. 
Press the push button ignition switch twice with the ignition OFF (ACC OFF).
NOTE: Release the brake pedal.
Does the ignition turn to ON? Go to step Check the push button start system. Ref. to INSPECTION , General Diagnostic Table.
5 CHECK PUSH BUTTON IGNITION SWITCH. 
  1. Depress the brake pedal.
    NOTE: Shift the select lever to "P" range.
  2. Check the push button ignition switch indicator.
Does the indicator turn to green? Go to step Check the push button start system. Ref. to INSPECTION , General Diagnostic Table.
6 CHECK START SWITCH SIGNAL. 
  1. Read the waveform of «Starter Switch» using the Subaru Select Monitor.
    NOTE: For detailed operation procedures, refer to "Current Data Display For Engine". Ref. to SUBARU SELECT MONITOR 
  2. Press the push button ignition switch once with the brake pedal depressed.
Does waveform of the «Starter Switch» occur? Go to step 10  Go to step
7 CHECK HARNESS BETWEEN ECM AND KEYLESS ACCESS CM. 
  1. Turn the ignition to OFF.
  2. Disconnect the connector from ECM.
  3. Disconnect the connector from the keyless access CM.
  4. Measure the resistance of harness between ECM connector and keyless access CM.

Connector & terminal 
(B134) No. 46 - (i241) No. 35: 
Is the resistance less than 1 Ω? Go to step Repair the harness and connector.
NOTE: In this case, repair the following item:
  • Open circuit of harness between ECM connector and keyless access CM connector
  • Poor contact of coupling connector
8 CHECK HARNESS BETWEEN ECM AND KEYLESS ACCESS CM. 
Measure the resistance between ECM connector and chassis ground.
Connector & terminal 
(B134) No. 46 - Chassis ground: 
Is the resistance 1 MΩ or more? Go to step . Repair the short circuit to ground in harness between ECM connector and keyless access CM connector.
9 CHECK START SWITCH SIGNAL. 
  1. Connect the connector to ECM.
  2. Connect the connector to the keyless access CM.
  3. Read the waveform of start switch signal using an oscilloscope.
  4. Press the push button ignition switch once with the brake pedal depressed.

Connector & terminal 
(B134) No. 46 (+) - Chassis ground (-): 
Does waveform of the start switch signal occur? Repair the poor contact of ECM connector. Repair the poor contact of keyless access CM connector.
10 CHECK INPUT SIGNAL FOR STARTER MOTOR. 
  1. Turn the ignition to OFF.
  2. Disconnect the connector from starter motor.
  3. Place the select lever in "P" range or "N" range.
  4. Press the push button ignition switch once with the brake pedal depressed.
  5. Measure the voltage between the starter motor connector and the engine ground.

Connector & terminal 
(B14) No. 1 (+) - Engine ground (-): 
Is the voltage 10 V or more? Check the starter motor. Ref. to STARTER Go to step 11 
11 CHECK POWER SUPPLY OF IG2 RELAY. 
  1. Remove the IG2 relay.
  2. Turn the ignition to ON.
  3. Measure the voltage between F/B (IG2 relay) terminal and chassis ground.

    Connector & terminal 

    (B56) No. 8 (+) - Chassis ground (-): 

    (i137) No. 12 (+) - Chassis ground (-): 

Is the voltage 10 V or more? Go to step 12  Check the following item and repair or replace if necessary.
  • Blown out of fuse (F/B No. 26)
  • Open circuit or short circuit to ground in harness between F/B (IG2 relay) terminal and power supply circuit
  • Open circuit or short circuit to ground in harness between F/B (IG2 relay) terminal and keyless access CM
  • Poor contact of coupling connector
  • Blown out of fuse
12 CHECK F/B (IG2 RELAY). 
Check the F/B (IG2 relay). Ref. to RELAY AND FUSE
Is the resistance less than 1 Ω? Go to step 13  Replace the IG2 relay. Ref. to RELAY AND FUSE
13 CHECK POWER SUPPLY OF F/B (IG2 RELAY) CONNECTOR. 
  1. Install the F/B (IG2 relay).
  2. Remove the F/B (IG2 relay) connector (B158).
  3. Remove the F/B (IG2 relay) connector (i136).
  4. Measure the voltage between F/B (IG2 relay) terminal and chassis ground.

Connector & terminal 
(B158) No. 3 (+) - Chassis ground (-): 
(i136) No. 6 (+) - Chassis ground (-): 
Is the voltage 10 V or more? Go to step 14  Replace the F/B unit.
14 CHECK HARNESS BETWEEN F/B (IG2 RELAY) TERMINAL AND CHASSIS GROUND. 
  1. Turn the ignition to OFF.
  2. Measure the resistance of harness between the F/B (IG2 relay) connectors (B158) and (i136) and the chassis ground.

Connector & terminal 
(B158) No. 3 - Chassis ground: 
(i136) No. 6 - Chassis ground: 
Is the resistance less than 5 Ω? Go to step 15  Repair the open circuit of the harness between F/B (IG2 relay) connector and chassis ground.
15 CHECK POWER SUPPLY OF IG1 RELAY (PUSH BUTTON START). 
  1. Remove the M/B IG1 relay (push button start).
  2. Turn the ignition to ON.
  3. Measure the voltage between the M/B IG1 relay (push button start) terminals No. 1 and No. 2 and the chassis ground.

Terminals 
No. 1 (+) - Chassis ground (-): 
No. 2 (+) - Chassis ground (-): 
Is the voltage 10 V or more? Go to step 16  . Check the following item and repair or replace if necessary.
  • Blown out of fuse
  • Open circuit or short circuit to ground in harness between M/B IG1 relay (push button start) connector and F/B connector
  • Open circuit or short circuit to ground in harness between M/B IG1 relay (push button start) connector and battery
16 CHECK HARNESS BETWEEN M/B IG1 RELAY (PUSH BUTTON START) TERMINAL AND CHASSIS GROUND. 
  1. Turn the ignition to OFF.
  2. Measure the resistance of the harness between M/B IG1 relay (push button start) terminal and chassis ground.

Terminals 
No. 4 - Chassis ground: 
Is the resistance less than 5 Ω? Go to step 17  Repair the open circuit of the harness between M/B IG1 relay (push button start) connector and chassis ground.
17 CHECK M/B IG1 RELAY (PUSH BUTTON START). 
  1. Connect the battery to M/B IG1 relay (push button start) terminals No. 2 and No. 4.
  2. Measure the resistance between M/B IG1 relay (push button start) terminals.

Terminals 
No. 1 - No. 3: 
Is the resistance less than 1 Ω? Go to step 18  Replace the M/B IG1 relay (push button start). Ref. to RELAY AND FUSE
18 CHECK HARNESS BETWEEN ECM AND STARTER CUT RELAY CONNECTOR. 
  1. Disconnect the connector from ECM.
  2. Disconnect the connector from starter cut relay.
  3. Measure the resistance between starter cut relay connector and chassis ground.

Connector & terminal 
(B220) No. 17 - Chassis ground: 
Is the resistance 1 MΩ or more? Go to step 19  Repair the short circuit to ground in harness between ECM connector and starter cut relay connector.
19 CHECK STARTER CUT RELAY. 
Measure the resistance between starter cut relay terminals.
Terminals 
No. 18 - No. 21: 
Is the resistance less than 1 Ω? Go to step 20  Replace the starter cut relay. Ref. to RELAY AND FUSE
20 CHECK HARNESS BETWEEN STARTER CUT RELAY CONNECTOR AND F/B (STARTER RELAY) CONNECTOR. 
  1. Remove the starter relay.
  2. Measure the resistance of harness between starter cut relay connector and starter relay connector.

Connector & terminal 
(B220) No. 18 - (i137) No. 8: 
Is the resistance less than 1 Ω? Go to step 21  Check the following item and repair or replace if necessary.
  • Blown out of fuse (F/B No. 26)
  • Open circuit of harness between starter cut relay connector and F/B (starter relay) connector
21 CHECK F/B (STARTER RELAY). 
Check the F/B (starter relay). Ref. to STARTER RELAY
Is the resistance less than 1 Ω? Go to step 22  Replace the starter relay (push button start). Ref. to STARTER RELAY
22 CHECK HARNESS BETWEEN ECM AND F/B (STARTER RELAY) CONNECTOR. 
Measure the resistance of harness between ECM connector and starter relay connector.
Connector & terminal 
(B134) No. 62 - (B158) No. 2: 
Is the resistance less than 1 Ω? Go to step 23  Repair the open circuit of harness between ECM connector and starter relay connector.
23 CHECK HARNESS BETWEEN F/B (STARTER RELAY) CONNECTORS (B158) AND (B159). 
  1. Remove the F/B (starter relay).
  2. Measure the resistance between F/B (starter relay) connector (B158) and (B159).

Terminals 
(B158) No. 5 - (B159) No. 4: 
Is the resistance less than 1 Ω? Go to step 24  Check the fuse (F/B No. 12). If a fault is not found, replace the F/B unit.
24 CHECK HARNESS BETWEEN STARTER RELAY CONNECTOR AND INHIBITOR SWITCH CONNECTOR. 
  1. Disconnect the connector from inhibitor switch.
  2. Measure the resistance of harness between starter relay connector and inhibitor switch connector.

Connector & terminal 
(B159) No. 4 - (T7) No. 6: 
Is the resistance less than 1 Ω? Go to step 25  Repair the harness and connector.
NOTE: In this case, repair the following item:
  • Open circuit in harness between starter relay connector and inhibitor switch connector
  • Poor contact of coupling connector
25 CHECK INHIBITOR SWITCH. 
  1. Place the select lever in "P" range or "N" range.
  2. Measure the resistance between inhibitor switch terminals.

Terminals 
No. 6 - No. 9: 
Is the resistance less than 1 Ω? Go to step 26  Replace the inhibitor switch. Ref. to INHIBITOR SWITCH
26 CHECK HARNESS BETWEEN ECM AND INHIBITOR SWITCH CONNECTOR. 
  1. Disconnect the connector from ECM.
  2. Measure the resistance of harness between ECM connector and inhibitor switch connector.

Connector & terminal 
(B134) No. 5 - (T7) No. 6: 
Is the resistance less than 1 Ω? Go to step 27  Repair the harness and connector.
NOTE: In this case, repair the following item:
  • Open circuit in harness between ECM connector and inhibitor switch connector
  • Poor contact of coupling connector
27 CHECK NEUTRAL POSITION SWITCH SIGNAL. 
  1. Connect all relays to their proper positions.
  2. Connect all connectors to their proper positions.
  3. Read the value of «Neutral Position Switch» using the Subaru Select Monitor.
    NOTE: For detailed operation procedures, refer to "Current Data Display For Engine". Ref. to SUBARU SELECT MONITOR 
  4. Turn the ignition to ON.
  5. Place the select lever in "P" range or "N" range.
Is «Neutral» displayed? Check the engine control module (ECM) power supply and ground line. Ref. to CHECK POWER SUPPLY AND GROUND LINE OF ENGINE CONTROL MODULE (ECM) , Diagnostics for Engine Starting Failure. Repair the harness and connector.
NOTE: In this case, repair the following item:
  • Open circuit in harness between inhibitor switch connector and starter motor connector
  • Poor contact of coupling connector