LEMON Manuals: Even more car manuals for everyone
Home >> Subaru >> 2017 >> Outback 2.5i >> Repair and Diagnosis >> Engine Performance >> System >> Engine Control System (Diagnostics - Introduction) (H4DO) >> Diagnostics for Engine Starting Failure >> Ignition Control System

Ignition Control System

CAUTION:
  • After servicing or replacing faulty parts, perform Clear Memory Mode Ref. to OPERATION , Clear Memory Mode, and Inspection Mode Ref. to PROCEDURE , Inspection Mode.
  • Use the check board when measuring the ECM terminal voltage and resistance.

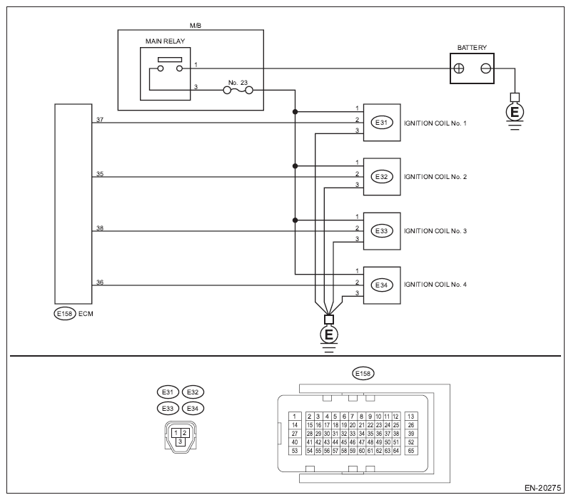
Wiring diagram: 

Engine Electrical System Ref. to WIRING DIAGRAM , Engine Electrical System.

Fig 1: Ignition Control System - Wiring Diagram
G10310228Courtesy of SUBARU OF AMERICA, INC.
Step Check Yes No
1 CHECK SPARK PLUG CONDITION. 
  1. Remove the spark plug. Ref. to REMOVAL , Spark Plug.
  2. Check the spark plug condition. Ref. to INSPECTION , Spark Plug.
Is the check result OK? Go to step Replace the spark plug. Ref. to SPARK PLUG
2 CHECK IGNITION SYSTEM FOR SPARKS. 
  1. Connect the spark plug to ignition coil.
  2. Release the fuel pressure. Ref. to RELEASING OF FUEL PRESSURE , PROCEDURE, Fuel.
  3. Contact the spark plug thread portion to engine.
  4. While opening the throttle valve fully, crank the engine to check that spark occurs at each cylinder.
Does spark occur at each cylinder? Check fuel pump system. Ref. to FUEL PUMP CIRCUIT , Diagnostics for Engine Starting Failure. Go to step 3.
3 CHECK IGNITION COIL POWER SUPPLY CIRCUIT. 
  1. Turn the ignition switch to OFF.
  2. Disconnect the connector from ignition coil.
  3. Turn the ignition switch to ON.
  4. Measure the voltage between ignition coil connector and engine ground.

Connector & terminal 
(E31) No. 1 (+) - Engine ground (-): 
(E32) No. 1 (+) - Engine ground (-): 
(E33) No. 1 (+) - Engine ground (-): 
(E34) No. 1 (+) - Engine ground (-): 
Is the voltage 10 V or more? Go to step Repair the harness and connector.
NOTE: In this case, repair the following item:
  • Open or short to ground in harness of power supply circuit
  • Poor contact of coupling connector
  • Blown out of fuse
4 CHECK HARNESS OF IGNITION COIL GROUND CIRCUIT. 
  1. Turn the ignition switch to OFF.
  2. Measure the resistance of harness between ignition coil connector and engine ground.

Connector & terminal 
(E31) No. 3 - Engine ground: 
(E32) No. 3 - Engine ground: 
(E33) No. 3 - Engine ground: 
(E34) No. 3 - Engine ground: 
Is the resistance less than 5 Ω? Go to step Repair the open circuit in harness between ignition coil connector and engine grounding terminal.
5 CHECK HARNESS BETWEEN ECM AND IGNITION COIL CONNECTOR. 
  1. Disconnect the connector from ECM.
  2. Measure the resistance of harness between ECM connector and ignition coil connector.

Connector & terminal 
(E158) No. 37 - (E31) No. 2: 
(E158) No. 35 - (E32) No. 2: 
(E158) No. 38 - (E33) No. 2: 
(E158) No. 36 - (E34) No. 2: 
Is the resistance less than 1 Ω? Go to step Repair the open circuit in harness between ECM connector and ignition coil connector.
6 CHECK HARNESS BETWEEN ECM AND IGNITION COIL CONNECTOR. 
Measure the resistance of harness between ECM connector and engine ground.
Connector & terminal: 
(E158) No. 37 - Engine ground: 
(E158) No. 35 - Engine ground: 
(E158) No. 38 - Engine ground: 
(E158) No. 36 - Engine ground: 
Is the resistance 1 MΩ or more? Go to step Repair the ground short circuit of harness between ECM connector and ignition coil connector.
7 CHECK FOR POOR CONTACT. 
Check for poor contact of ECM connector.
Is there poor contact of ECM connector? Repair the poor contact of ECM connector. Replace the ignition coil. Ref. to IGNITION COIL