LEMON Manuals: Even more car manuals for everyone
Home >> Subaru >> 2017 >> Outback 2.5i >> Repair and Diagnosis >> Engine Performance >> System >> Engine Control System (Diagnostics - Introduction) (H4DO) >> Diagnostics for Engine Starting Failure >> Check Power Supply And Ground Line Of Engine Control Module (ECM)

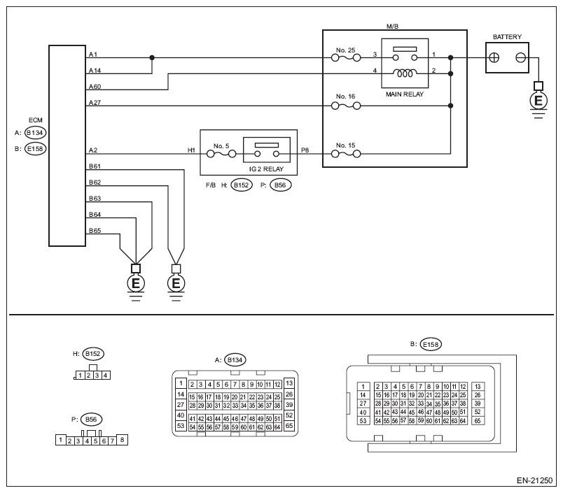
Check Power Supply And Ground Line Of Engine Control Module (ECM)

CAUTION:
  • After servicing or replacing faulty parts, perform Clear Memory Mode Ref. to OPERATION , Clear Memory Mode, and Inspection Mode Ref. to PROCEDURE , Inspection Mode.
  • Use the check board when measuring the ECM terminal voltage and resistance.

Wiring diagram: 

Engine Electrical System Ref. to WIRING DIAGRAM , Engine Electrical System.

Fig 1: Engine Control Module Circuit Diagram
G11583289Courtesy of SUBARU OF AMERICA, INC.
Step Check Yes No
1 CHECK M/B (MAIN RELAY). 
  1. Turn the ignition switch to OFF.
  2. Remove the M/B (main relay).
  3. Connect the battery to M/B (main relay) terminals No. 2 and No. 4.
  4. Measure the resistance between M/B (main relay) terminals.

Terminals 
No. 1 - No. 3: 
Is the resistance less than 1 Ω? Go to step Replace the M/B (main relay). Ref. to MAIN RELAY
2 CHECK GROUND CIRCUIT FOR ECM. 
  1. Disconnect the connector from ECM.
  2. Measure the resistance of harness between ECM connector and chassis ground.

Connector & terminal 
(E158) No. 61 - Chassis ground: 
(E158) No. 62 - Chassis ground: 
(E158) No. 63 - Chassis ground: 
(E158) No. 64 - Chassis ground: 
(E158) No. 65 - Chassis ground: 
Is the resistance less than 5 Ω? Go to step Open circuit of harness between ECM connector and engine ground terminal
3 CHECK INPUT VOLTAGE OF ECM. 
  1. Turn the ignition switch to ON.
  2. Measure the voltage between ECM connector and chassis ground.

Connector & terminal 
(B134) No. 2 (+) - Chassis ground (-): 
(B134) No. 27 (+) - Chassis ground (-): 
Is the voltage 10 V or more? Go to step Repair the open or ground short in the harness of power supply circuit.
4 CHECK M/B (MAIN RELAY) INPUT VOLTAGE. 
Measure the voltage between M/B (main relay) terminal and chassis ground.
Terminals 
No. 1 (+) - Chassis ground (-): 
No. 2 (+) - Chassis ground (-): 
Is the voltage 10 V or more? Go to step Repair the open or ground short in the harness of power supply circuit.
5 CHECK INPUT VOLTAGE OF ECM. 
  1. Turn the ignition switch to OFF.
  2. Install the M/B (main relay).
  3. Turn the ignition switch to ON.
  4. Measure the voltage between ECM connector and chassis ground.

Connector & terminal 
(B134) No. 60 (+) - Chassis ground (-): 
Is the voltage 10 V or more? Go to step . Repair the open circuit of harness between ECM connector and M/B (main relay) terminal.
6 CHECK INPUT VOLTAGE OF ECM. 
  1. Turn the ignition switch to OFF.
  2. Connect the connector to ECM.
  3. Turn the ignition switch to ON.
  4. Measure the voltage between ECM connector and chassis ground.

Connector & terminal 
(B134) No. 1 (+) - Chassis ground (-): 
(B134) No. 14 (+) - Chassis ground (-): 
Is the voltage 10 V or more? Check ignition control system. Ref. to IGNITION CONTROL SYSTEM , Diagnostics for Engine Starting Failure. Repair the harness and connector.
NOTE: In this case, repair the following item:
  • Open circuit of harness between ECM connector and M/B (main relay) connector
  • Poor contact of M/B (main relay) connector
  • Poor contact of ECM connector