LEMON Manuals: Even more car manuals for everyone
Home >> Subaru >> 2017 >> Outback 2.5i >> Repair and Diagnosis >> Body & Frame >> Door Locks >> Security And Locks - Keyless Access (W/Push Button Start) (Diagnostics) >> Diagnostic Procedure with Diagnostic Trouble Code (DTC) >> DTC B2274: Acc Relay Control Circuit

DTC B2274: Acc Relay Control Circuit

DTC detecting condition: 

When malfunction is detected in ACC relay drive circuit in the keyless access Control Module or external circuit.

Trouble symptom: 

Each function does not operate at the ACC position.

CAUTION: For replacement procedure of keyless access Control Module, refer to the "REGISTRATION MANUAL FOR IMMOBILIZER" provided as a separate volume.

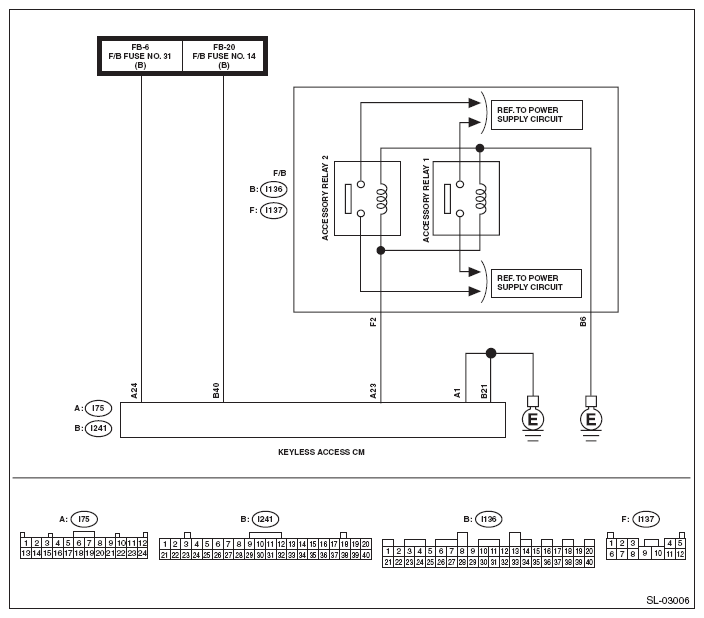
Wiring diagram: 

NOTE: For the coupling connector, refer to "WIRING SYSTEM".

Stop light system Ref. to WIRING DIAGRAM , Stop Light System.

Fig 1: ACC Relay Control Wiring Diagram
G10277427Courtesy of SUBARU OF AMERICA, INC.
Step Check Yes No
1 CHECK LAN SYSTEM. 
Inspect LAN system. Ref. to PROCEDURE , Basic Diagnostic Procedure.
Is the check result OK? Go to step Perform the inspection according to the diagnosis for LAN system.
2 CHECK FUSE. 
Check the fuse. Ref. to RELAY AND FUSE
Is the check result OK? Go to step Replace the fuse. When the replaced fuse is blown immediately, check the power supply circuit for short-circuited.
3 CHECK HARNESS. 
  1. Disconnect the keyless access Control Module connector.
  2. Using a tester, measure the resistance between the keyless access Control Module connector and chassis ground.

    Connector & terminal 

    (i75) No. 24 (+) - Chassis ground (-): 

    (i241) No. 40 (+) - Chassis ground (-): 

Is the voltage 9.5 - 16 V? Go to step Check the power supply circuit.
4 CHECK HARNESS (OPEN CIRCUIT). 
Using a tester, measure the resistance between the keyless access Control Module connector and chassis ground.
Connector & terminal 
(i241) No. 21 - Chassis ground: 
(i75) No. 1 - Chassis ground: 
Is the resistance less than 1 Ω? Go to step Repair or replace the open circuit of harness.
5 CHECK HARNESS. 
  1. Disconnect the keyless access Control Module connector.
  2. Using a tester, measure the resistance between the keyless access Control Module connector and chassis ground.

    Connector & terminal 

    (i75) No. 23 - Chassis ground: 

Is resistance 152.61 - 216.5 Ω? (20°C) Go to step Go to step
6 CHECK RELAY. 
Perform inspection of ACC relay unit. Ref. to RELAY AND FUSE
Is the check result OK? Go to step Replace the relay.
7 CHECK HARNESS (OPEN CIRCUIT). 
Using a tester, measure the resistance between the keyless access Control Module connector and the accessory relay (push button start), and between the accessory relay (push button start) and chassis ground.
Connector & terminal 
(i75) No. 23 - (i137) No. 2: 
(i136) No. 6 - Chassis ground: 
Is the resistance less than 1 Ω? Go to step Repair or replace the open circuit of harness.
8 CHECK KEYLESS ACCESS Control Module. 
  1. Connect the keyless access Control Module connector.
  2. Using a tester, measure the voltage between the keyless access Control Module connector and chassis ground.

    Connector & terminal 

    (i75) No. 23 (+) - Chassis ground (-): 

Is the voltage 1 V or less → 9.5 - 16 V when OFF → ACC ON? Even if DTC is displayed, the circuit has returned to a normal condition at this time. Reproduce the failure, and then perform the diagnosis again.
NOTE: In this case, temporary poor contact of connector, temporary open or short circuit of harness may be the cause.
Replace the keyless access Control Module. Ref. to KEYLESS ACCESS CONTROL MODULE