DTC P0951 Auto Shift Manual Control Circuit Range/Performance: Notes
DTC detecting condition:
Immediately at fault recognition
Trouble symptom:
Manual mode can not be set.
CAUTION:
Use the check board when measuring the TCM terminal voltage and resistance.
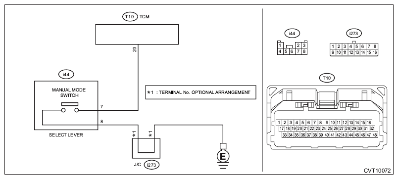
Wiring diagram:
- ENGINE TYPE FB
NOTE:
For the coupling connector, refer to "WIRING SYSTEM".
CVT control system <Ref. to ENGINE TYPE FB , WIRING DIAGRAM, CVT Control System.>
- ENGINE TYPE EZNOTE: For the coupling connector, refer to "WIRING SYSTEM".
CVT control system <Ref. to ENGINE TYPE EZ , WIRING DIAGRAM, CVT Control System.>
Courtesy of SUBARU OF AMERICA, INC.
Step Check Yes No 1 CHECK HARNESS . - Turn the ignition switch to OFF.
- Disconnect the manual mode switch connector.
- Measure the resistance between manual mode switch connector and chassis ground.
Connector & terminal
(i44) No. 8 - Chassis ground:
Is the resistance less than 1 Ω? Go to step 2 . Repair the open circuit of harness. 2 CHECK MANUAL MODE SWITCH.
Measure the resistance between manual mode switch terminals.
Connector & terminal
No. 7 - No. 8:Is the resistance 1 MΩ or more? Go to step 3 . Replace the select lever assembly. <Ref. to SELECT LEVER .> 3 CHECK MANUAL MODE SWITCH . - Shift the select lever to manual mode.
- Measure the resistance between manual mode switch terminals.
Connector & terminal
No. 7 - No. 8:
Is the resistance less than 1 Ω? Go to step 4 . Replace the select lever assembly. <Ref. to SELECT LEVER .> 4 CHECK HARNESS . - Disconnect the TCM connector.
- Measure the resistance between TCM connector and manual mode switch connector.
Connector & terminal
ENGINE TYPE FB
(T10) No. 20 - (i44) No. 7:
ENGINE TYPE EZ
(B54) No. 20 - (i44) No. 7:
Is the resistance less than 1 Ω? Go to step 5 . Repair the open circuit of harness or poor contact of connector. 5 CHECK HARNESS.
Measure the resistance between manual mode switch connector and chassis ground.
Connector & terminal
(i44) No. 7 - Chassis ground:Is the resistance 1 MΩ or more? Go to step 6 . Repair the short circuit of harness. 6 CHECK INPUT SIGNAL FOR TCM . - Connect all connectors.
- Turn the ignition switch to ON.
- Set the select lever to "D" range.
- Read the data of «Tiptronic Mode Switch» using Subaru Select Monitor.
Does the value of «Tiptronic Mode Switch» change to "ON" with select lever in manual mode, and "OFF" with select lever in other than manual mode? Current condition is normal. Go to step 7 . 7 CHECK FOR POOR CONTACT . Is there poor contact of the manual mode switch circuit? Repair the poor contact. Replace the TCM. <Ref. to TRANSMISSION CONTROL MODULE (TCM) .> <Ref. to TRANSMISSION CONTROL MODULE (TCM) .>