LEMON Manuals: Even more car manuals for everyone
Home >> Subaru >> 2017 >> Outback 2.5i >> Repair and Diagnosis (Single Page) >> Engine Performance >> System >> Engine Control System (Diagnostics) (P2101 To U1712) (H4DO) >> Diagnostic Procedure with Diagnostic Trouble Code (DTC) >> DTC U1712: Lost Lin Communication With Battery "1" Monitor Module >> Notes

DTC U1712: Lost Lin Communication With Battery "1" Monitor Module: Notes

DTC detecting condition: 

Immediately at fault recognition

CAUTION:
  • After servicing or replacing faulty parts, perform Clear Memory Mode Ref. to OPERATION , Clear Memory Mode.>, and Inspection Mode Ref. to PROCEDURE , Inspection Mode.>.
  • Use the check board when measuring the ECM terminal voltage and resistance.

Wiring diagram: 

Engine Electrical System Ref. to WIRING DIAGRAM , Engine Electrical System.>

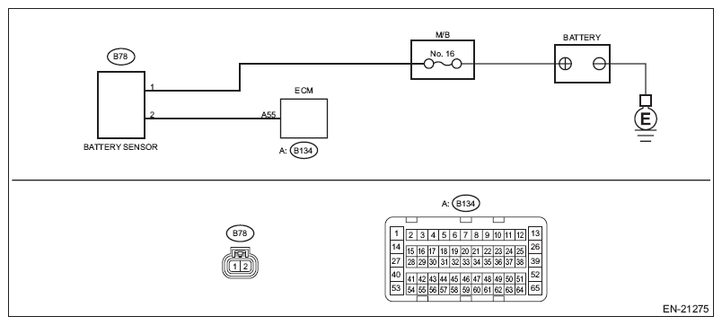
Fig 1: Lost Lin Communication With Battery "1" Monitor Module - Wiring Diagram
G11583536Courtesy of SUBARU OF AMERICA, INC.
Step Check Yes No
1 CHECK DTC  .
Check for DTC. Ref. to READ DIAGNOSTIC TROUBLE CODE (DTC) .>
Is U1712 displayed in current malfunction? Go to step . The circuit has returned to a normal condition at this time. Reproduce the failure, and then perform the diagnosis again.
2 CHECK ECM CONNECTOR  .
Check the connecting condition of ECM connector.
Is the ECM connector correctly connected? Go to step . Connect the ECM connector correctly.
3 CHECK HARNESS BETWEEN BATTERY AND BATTERY SENSOR CONNECTOR  .
  1. Turn the ignition switch to OFF.
  2. Disconnect the ground terminal from battery sensor. Ref. to BATTERY , NOTE, Repair Contents.>
  3. Disconnect the connector from battery sensor.
  4. Disconnect the positive terminal of battery.
  5. Measure the resistance of the harness between battery positive cable terminal and battery sensor connector.

Connector & terminal 
Positive cable terminal - (B78) No. 1: 
Is the resistance less than 1 Ω? Go to step . Repair the open circuit in harness between battery positive cable terminal and battery sensor connector.
4 CHECK HARNESS BETWEEN ECM AND BATTERY SENSOR CONNECTOR  .
  1. Disconnect the connector from ECM.
  2. Measure the resistance of harness between battery positive terminal and battery sensor connector.

Connector & terminal 
(B78) No. 1 - Battery positive terminal: 
Is the resistance less than 1 Ω? Repair the poor contact of ECM connector or battery sensor connector. Repair the harness and connector.
NOTE: In this case, repair the following item:
  • Open circuit in harness between ECM connector and battery sensor connector
  • Poor contact of coupling connector