LEMON Manuals: Even more car manuals for everyone
Home >> Subaru >> 2017 >> Outback 2.5i >> Repair and Diagnosis (Single Page) >> Engine Performance >> System >> Engine Control System (Diagnostics) (P0171 To P0685) (H4DO) >> Diagnostic Procedure with Diagnostic Trouble Code (DTC) >> DTC P0512: Starter (Switch) Request Circuit >> Notes

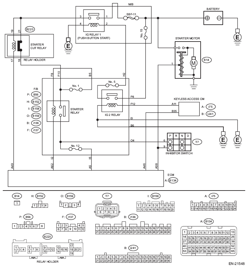
DTC P0512: Starter (Switch) Request Circuit: Notes

DTC detecting condition: 

Immediately at fault recognition

Trouble symptom: 

Failure of engine to start

CAUTION:
  • After servicing or replacing faulty parts, perform Clear Memory Mode Ref. to OPERATION , Clear Memory Mode, and Inspection Mode Ref. to PROCEDURE , Inspection Mode.
  • Use the check board when measuring the ECM terminal voltage and resistance.

Wiring diagram: 

Engine Electrical System Ref. to WIRING DIAGRAM , Engine Electrical System.

Fig 1: Starter (Switch) - Wiring Diagram
G11583415Courtesy of SUBARU OF AMERICA, INC.
Step Check Yes No
1 CHECK PUSH BUTTON IGNITION SWITCH. 
Operate the push button ignition switch.
Does it operate smoothly without catch? Go to step Replace the push button ignition switch. Ref. to PUSH BUTTON IGNITION SWITCH
2 CHECK DTC. 
  1. Clear the memory using the Subaru Select Monitor. Ref. to CLEAR MEMORY MODE
  2. Start and idle the engine for three minutes or more.
Is the same DTC as current diagnosis output? Go to step Even if DTC is detected, the circuit has returned to a normal condition at this time. Reproduce the failure, and then perform the diagnosis again.
NOTE: In this case, temporary poor contact of connector, temporary open or short circuit of harness may be the cause.
3 CHECK HARNESS BETWEEN ECM AND KEYLESS ACCESS CM. 
  1. Turn the ignition to OFF.
  2. Disconnect the connector from ECM.
  3. Turn the ignition to ON.
  4. Measure the voltage between ECM connector and chassis ground.

Connector & terminal 
(B134) No. 46 (+) - Chassis ground (-): 
Is the voltage 10 V or more? Repair the short circuit to power supply in harness between ECM connector and keyless access CM connector. Repair the poor contact of ECM connector.