LEMON Manuals: Even more car manuals for everyone
Home >> Subaru >> 2017 >> Outback 2.5i >> Repair and Diagnosis (Single Page) >> Engine Performance >> System >> Engine Control System (Diagnostics) (P0171 To P0685) (H4DO) >> Diagnostic Procedure with Diagnostic Trouble Code (DTC) >> DTC P0222: Throttle/Pedal Position Sensor/Switch "B" Circuit Low >> Notes

DTC P0222: Throttle/Pedal Position Sensor/Switch "B" Circuit Low: Notes

DTC detecting condition: 

Immediately at fault recognition

Trouble symptom: 

CAUTION:
  • After servicing or replacing faulty parts, perform Clear Memory Mode Ref. to OPERATION , Clear Memory Mode, and Inspection Mode Ref. to PROCEDURE , Inspection Mode.
  • Use the check board when measuring the ECM terminal voltage and resistance.

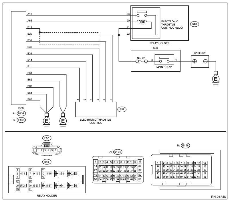
Wiring diagram: 

Engine Electrical System Ref. to WIRING DIAGRAM , Engine Electrical System.

Fig 1: Electronic Throttle Control Circuit Diagram
G11583328Courtesy of SUBARU OF AMERICA, INC.
Step Check Yes No
1 CHECK HARNESS BETWEEN ECM AND ELECTRONIC THROTTLE CONTROL CONNECTOR. 
  1. Turn the ignition switch to OFF.
  2. Disconnect the connector from ECM.
  3. Disconnect the connectors from electronic throttle control.
  4. Measure the resistance between ECM connector and chassis ground.

    Connector & terminal 

    (E158) No. 29 - Chassis ground: 

    (E158) No. 31 - Chassis ground: 

    (E158) No. 31 - (E158) No. 19: 

Is the resistance 1 MΩ or more? Go to step Repair the ground short circuit of harness between ECM connector and electronic throttle control connector.
2 CHECK SHORT CIRCUIT INSIDE THE ECM. 
  1. Connect the connector to ECM.
  2. Measure the resistance between electronic throttle control connector and engine ground.

Connector & terminal 
(E57) No. 4 - Engine ground: 
Is the resistance 1 MΩ or more? Replace the electronic throttle control. Ref. to THROTTLE BODY Repair the ground short circuit of harness between ECM connector and electronic throttle control connector.
Replace the ECM if defective. Ref. to ENGINE CONTROL MODULE (ECM)