LEMON Manuals: Even more car manuals for everyone
Home >> Subaru >> 2017 >> Crosstrek Base >> Repair and Diagnosis >> Engine Performance >> System >> Engine Control System (Diagnostics - Introduction) (H4DO) >> Diagnostics for Engine Starting Failure >> Fuel Pump Circuit

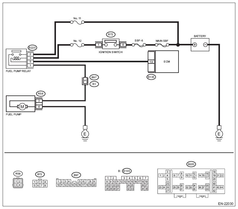
Fuel Pump Circuit

CAUTION: After servicing or replacing faulty parts, perform Clear Memory Mode Ref. to OPERATION , Clear Memory Mode., and Inspection Mode Ref. to PROCEDURE , Inspection Mode..

Wiring diagram: 

Engine electrical system Ref. to Engine Electrical System .

Fig 1: Fuel Pump Circuit - Wiring Diagram
G11590075Courtesy of SUBARU OF AMERICA, INC.
Step Check Yes No
1 CHECK OPERATING SOUND OF FUEL PUMP. 
Check if the fuel pump operates for two seconds when turning the ignition switch to ON.
NOTE: Fuel pump operation can be executed using the Subaru Select Monitor. Refer to "Active Test" for the procedures. Ref. to ACTIVE TEST .
Does the fuel pump emit operating sound? Check the fuel injector circuit. Ref. to FUEL INJECTOR CIRCUIT , Diagnostics for Engine Starting Failure. Go to step .
2 CHECK GROUND CIRCUIT OF FUEL PUMP. 
  1. Turn the ignition switch to OFF.
  2. Remove the fuel pump access hole lid.
  3. Disconnect the connector from fuel pump.
  4. Measure the resistance of harness between fuel pump and chassis ground.

    Connector & terminal 

    (R58) No. 4 - Chassis ground: 

Is the resistance less than 5 Ω? Go to step . Repair the open circuit in harness between fuel pump connector and chassis ground terminal.
3 CHECK POWER SUPPLY TO FUEL PUMP. 
  1. Turn the ignition switch to ON.
  2. Measure the voltage of power supply circuit between fuel pump connector and chassis ground.

    Connector & terminal 

    (R58) No. 3 (+) - Chassis ground (-): 

Is the voltage 10 V or more? Replace the fuel pump. Ref. to Fuel Pump . Go to step .
4 CHECK HARNESS BETWEEN FUEL PUMP CONNECTOR AND FUEL PUMP RELAY CONNECTOR. 
  1. Turn the ignition switch to OFF.
  2. Remove the fuel pump relay.
  3. Measure the resistance of harness between fuel pump connector and fuel pump relay connector.

    Connector & terminal 

    (R58) No. 3 - (B220) No. 1: 

Is the resistance less than 1 Ω? Go to step . Repair the harness and connector.
NOTE: In this case, repair the following item:
  • Open circuit in harness between fuel pump connector and fuel pump relay connector
  • Poor contact of coupling connector
5 CHECK HARNESS BETWEEN FUEL PUMP CONNECTOR AND FUEL PUMP RELAY CONNECTOR. 
Measure the resistance between fuel pump connector and chassis ground.
Connector & terminal 
(R58) No. 3 - Chassis ground: 
Is the resistance 1 MΩ or more? Go to step . Repair the short circuit to ground in harness between fuel pump connector and fuel pump relay connector.
6 CHECK FUEL PUMP RELAY. 
  1. Connect the battery to fuel pump relay terminals No. 3 and No. 5.
  2. Measure the resistance between fuel pump relay terminals.

    Terminals 

    No. 1 - No. 2: 

Is the resistance less than 1 Ω? Go to step . Replace the fuel pump relay. Ref. to Fuel Pump Relay .
7 CHECK HARNESS BETWEEN ECM AND FUEL PUMP RELAY CONNECTOR. 
  1. Disconnect the connector from ECM.
  2. Measure the resistance of harness between ECM connector and fuel pump relay connector.

    Connector & terminal 

    (B135) No. 19 - (B220) No. 5: 

Is the resistance less than 1 Ω? Go to step . Repair the open circuit of harness between ECM connector and fuel pump relay connector.
8 CHECK POWER SUPPLY OF FUEL PUMP RELAY. 
  1. Turn the ignition switch to ON.
  2. Measure the voltage between fuel pump relay connector and chassis ground.

    Connector & terminal 

    (B220) No. 2 (+) - Chassis ground (-): 

    (B220) No. 3 (+) - Chassis ground (-): 

Is the voltage 10 V or more? Repair the poor contact of ECM connector. Repair the open or ground short in the harness of power supply circuit.