LEMON Manuals: Even more car manuals for everyone
Home >> Subaru >> 2017 >> Crosstrek Base >> Repair and Diagnosis >> Engine Performance >> System >> Engine Control System (Diagnostics - Introduction) (H4DO) >> Diagnostic Procedure for Subaru Select Monitor Communication >> Communication For Initializing Impossible

Communication For Initializing Impossible

DIAGNOSIS: 

Open or short circuit in data link connector

TROUBLE SYMPTOM: 

Subaru Select Monitor communication failure

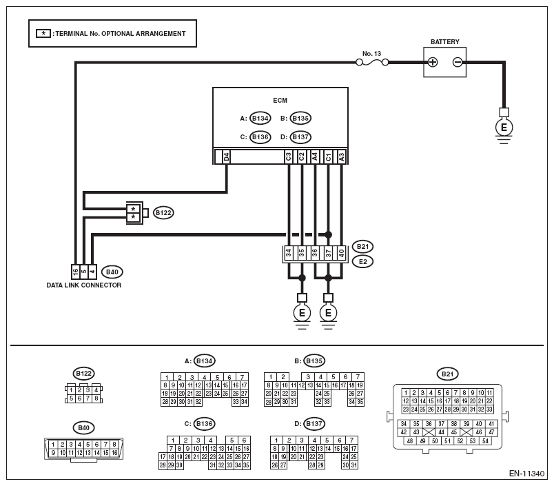
WIRING DIAGRAM: 

Engine electrical system Ref. to Engine Electrical System .

Fig 1: Communication For Initializing Impossible - Wiring Diagram
G10320264Courtesy of SUBARU OF AMERICA, INC.
Step Check Yes No
1 CHECK POWER SUPPLY CIRCUIT. 
Connect DST-i or general scan tool to data link connector.
Does DST-i or the general scan tool turn ON? Go to step . Go to step .
2 CHECK POWER SUPPLY CIRCUIT. 
Measure the voltage between data link connector and chassis ground.
Connector & terminal 
(B40) No. 16 (+) - Chassis ground (-): 
Is the voltage 10 V or more? Go to step . Repair the power supply circuit.
NOTE: In this case, repair the following item:
  • Open or ground short circuit of harness between battery and data link connector
  • Blown out of fuse (M/B No. 13)
3 CHECK HARNESS BETWEEN DATA LINK CONNECTOR AND CHASSIS GROUND. 
  1. Turn the ignition switch to OFF.
  2. Measure the resistance of harness between data link connector and chassis ground.

    Connector & terminal 

    (B40) No. 4 - Chassis ground: 

    (B40) No. 5 - Chassis ground: 

Is the resistance less than 5 Ω? Repair the poor contact of data link connector. Repair the harness and connector.
NOTE: In this case, repair the following item:
  • Open circuit in harness between ECM connector and data link connector
  • Open circuit of harness between ECM connector and engine ground
  • Poor contact of ECM connector
  • Poor contact of coupling connector
4 CHECK HARNESS BETWEEN ECM AND DATA LINK CONNECTOR. 
Measure the resistance between data link connector and chassis ground.
Connector & terminal 
(B40) No. 7 - Chassis ground: 
Is the resistance 1 MΩ or more? Repair the poor contact of the ECM or data link connector. Repair the short circuit to ground in harness between ECM connector and data link connector.