LEMON Manuals: Even more car manuals for everyone
Home >> Subaru >> 2016 >> WRX Base >> Repair and Diagnosis (Single Page) >> Engine Performance >> System >> Engine Controls (Diagnostics) (2.0L) (3 Of 4) >> DTC P0606 Control Module Processor >> Wiring Diagram

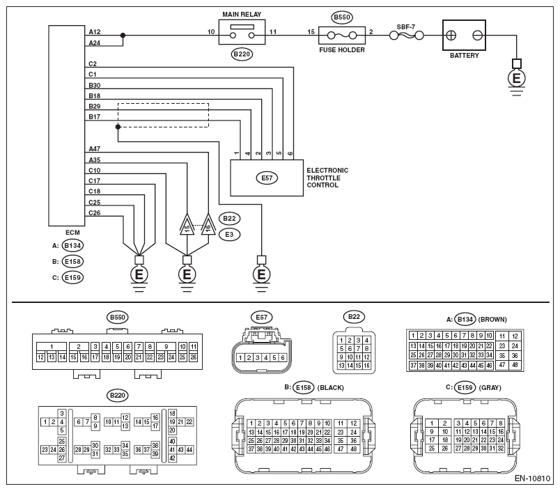
DTC P0606 Control Module Processor: Wiring Diagram

DIAGNOSTIC PROCEDURE

Step Check Yes No
1 CHECK INPUT VOLTAGE OF ECM. 
  1. Turn the ignition switch to ON.
  2. Measure the voltage between ECM connector and engine ground.

    Connector & terminal 

    (B134) No. 12 (+) - Engine ground (-): 

    (B134) No. 24 (+) - Engine ground (-): 

Is the voltage 10 - 13 V? Go to step 2.  Repair the open or short to ground in the power supply circuit.
2 CHECK INPUT VOLTAGE OF ECM. 
  1. Start the engine.
  2. Measure the voltage between ECM connector and engine ground.

    Connector & terminal 

    (B134) No. 12 (+) - Engine ground (-): 

    (B134) No. 24 (+) - Engine ground (-): 

Is the voltage 13 - 15 V? Go to step 3.  Repair the open or short to ground in the power supply circuit.
3 CHECK HARNESS BETWEEN ECM AND ELECTRONIC THROTTLE CONTROL CONNECTOR. 
  1. Turn the ignition switch to OFF.
  2. Disconnect the connectors from ECM and electronic throttle control.
  3. Measure the resistance of harness between ECM connector and electronic throttle control connector.

    Connector & terminal 

    (E158) No. 18 - (E57) No. 2: 

    (E158) No. 30 - (E57) No. 3: 

Is the resistance less than 1 Ω? Go to step 4.  Repair the open circuit of harness between ECM connector and electronic throttle control connector.
4 CHECK ECM GROUND HARNESS. 
  1. Connect all connectors.
  2. Turn the ignition to ON.
  3. Measure the voltage between ECM connector and engine ground.

    Connector & terminal 

    (B134) No. 35 (+) - Engine ground (-): 

    (B134) No. 47 (+) - Engine ground (-): 

    (E159) No. 10 (+) - Engine ground (-): 

    (E159) No. 17 (+) - Engine ground (-): 

    (E159) No. 18 (+) - Engine ground (-): 

    (E159) No. 25 (+) - Engine ground (-): 

    (E159) No. 26 (+) - Engine ground (-): 

Is the voltage less than 1 V? Check the connector for poor contact and check the harness. Replace the ECM if no fault is found. < Ref. to ENGINE CONTROL MODULE (ECM) . > Repair the harness and connector.
NOTE: In this case, repair the following item:
  • Open circuit in ground circuit
  • Loose engine ground terminal
  • Poor contact of coupling connector