LEMON Manuals: Even more car manuals for everyone
Home >> Subaru >> 2016 >> WRX Base >> Repair and Diagnosis (Single Page) >> Engine Performance >> System >> Diagnostic Trouble Code (DTC) Detecting Criteria (H4DOTC) (WRX) >> Diagnostic Trouble Code (DTC) Detecting Criteria >> DTC P2101 Throttle Actuator "A" Control Motor Circuit Range/Performance >> Component Description

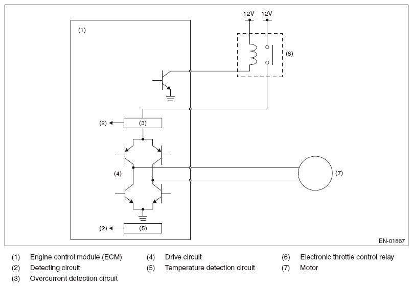
Component Description

Fig 1: Throttle Actuator "A" Control Motor Circuit Diagram - Range/Performance
G10292815Courtesy of SUBARU OF AMERICA, INC.