LEMON Manuals: Even more car manuals for everyone
Home >> Subaru >> 2016 >> BRZ Series.HyperBlue >> Repair and Diagnosis >> External Pages >> Different car >> Section 49 (Entry Start System Entry System (Keyless Entry)) >> Entry & Start System (Entry Function) >> Smart Trunk Open Operation Does Not Work (When The Transmitter Is Located Outside Trunk) >> Circuit figure

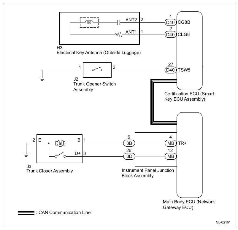
Circuit figure

WARNING: This page is about a different car, the 2014 Subaru BRZ. However, it is still accessible from the selected car via links, so may be relevant.
Fig 1: Indoor Electrical Key Antenna Assembly No. 2 - Circuit Diagram
G08553078Courtesy of SUBARU OF AMERICA, INC.