LEMON Manuals: Even more car manuals for everyone
Home >> Subaru >> 2016 >> BRZ Series.HyperBlue >> Repair and Diagnosis >> External Pages >> Different car >> Section 49 (Entry Start System Entry System (Keyless Entry)) >> Entry & Start System (Entry Function) >> Circuit Figure

Circuit Figure

WARNING: This page is about a different car, the 2014 Subaru BRZ. However, it is still accessible from the selected car via links, so may be relevant.
  1. This figure summarizes the collation ECM (smart key ECM assembly) system.
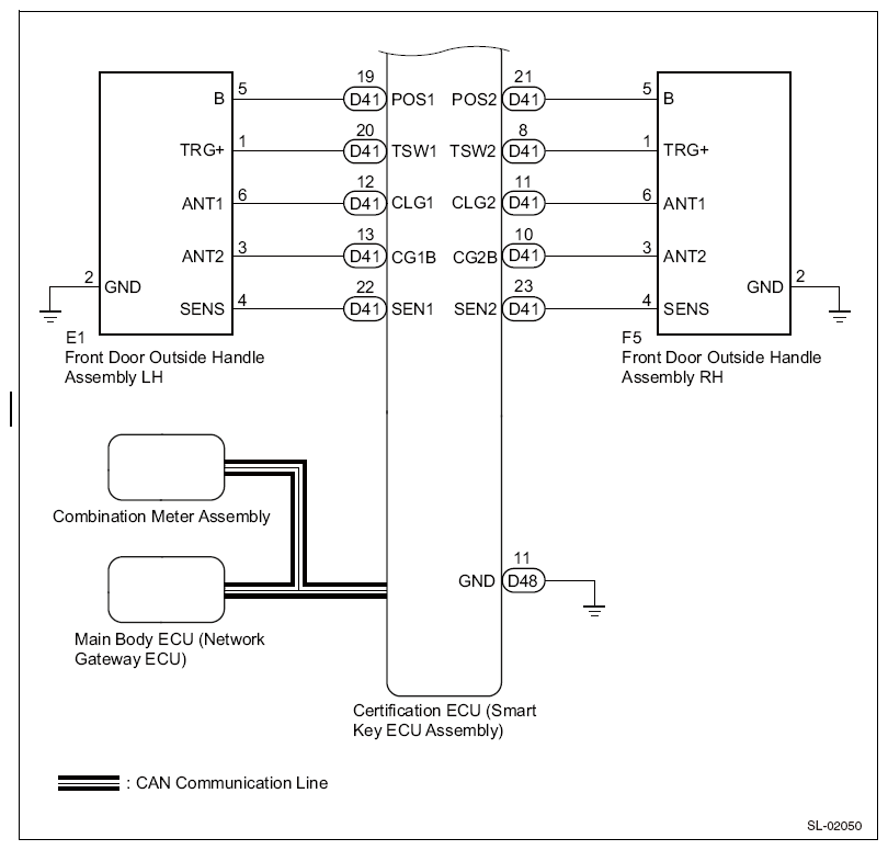
    Fig 1: Smart Key ECM Assembly - Circuit Diagram (1 Of 2)
    G08552993Courtesy of SUBARU OF AMERICA, INC.
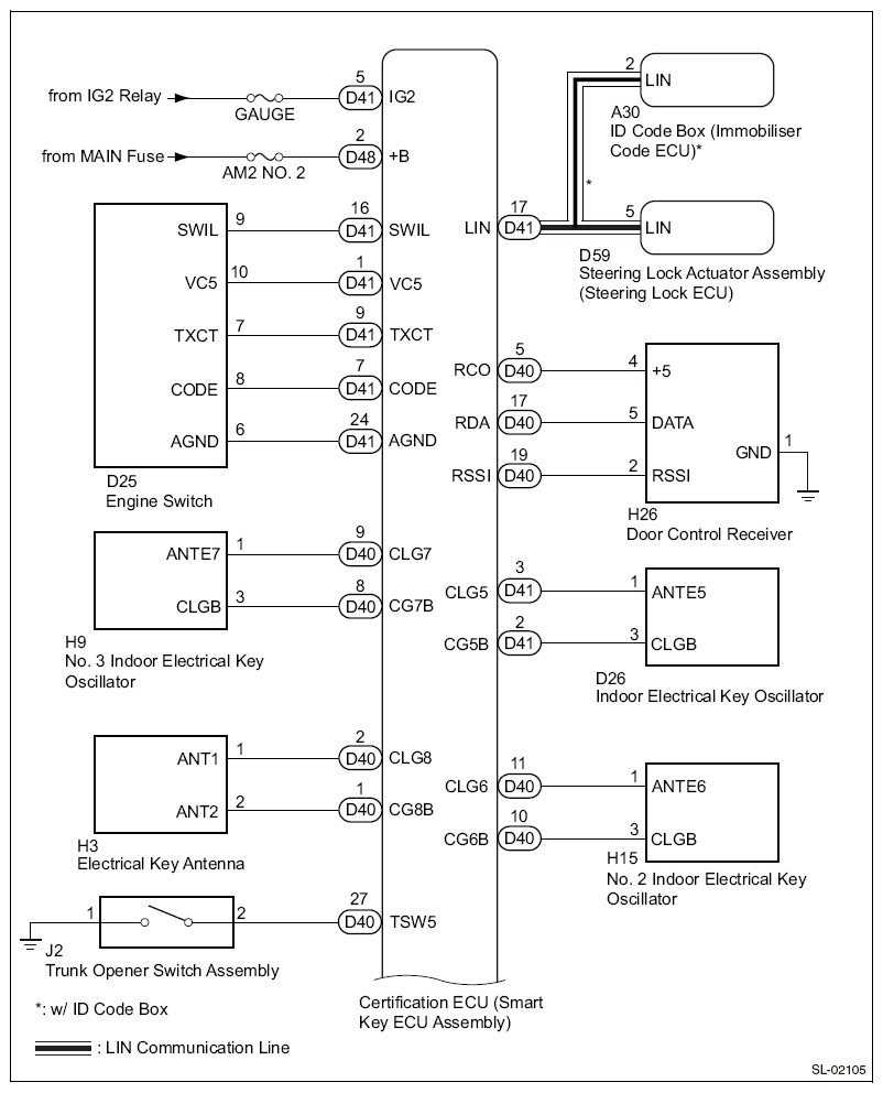
    Fig 2: Smart Key ECM Assembly - Circuit Diagram (1 Of 2)
    G08552994Courtesy of SUBARU OF AMERICA, INC.
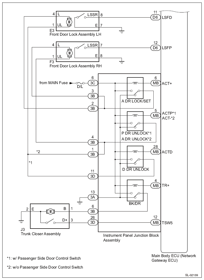
  2. This figure summarizes the main body ECM (multiplex network body ECM) system.
Fig 3: Multiplex Network Body ECM - Circuit Diagram (1 Of 2)
G08552995Courtesy of SUBARU OF AMERICA, INC.
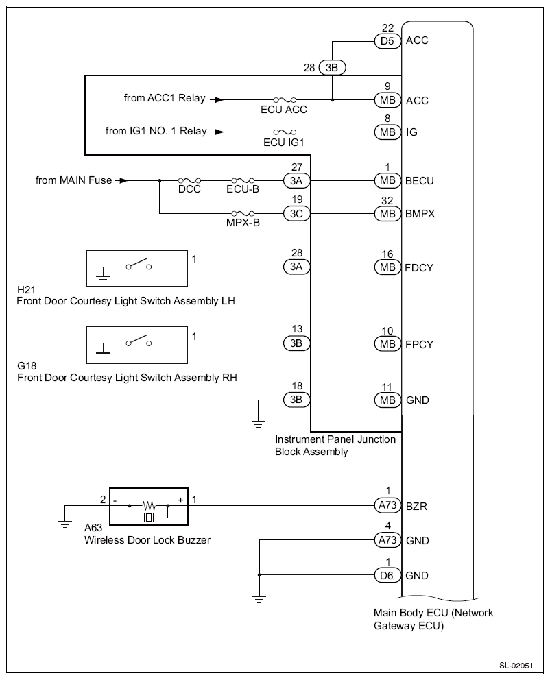
Fig 4: Multiplex Network Body ECM - Circuit Diagram (2 Of 2)
G08552996Courtesy of SUBARU OF AMERICA, INC.
Parts Function
Front door outer handle assembly LH/RH Upon reception of a request signal transmitted from the collation ECM (smart key ECM assembly) via the electrical key antenna, the front door outer handle assembly LH/RH creates a detection area outside the vehicle. When replacing the collation ECM (smart key ECM assembly), it is also necessary to replace all the electrical key transmitter subassemblies. The front door outer handle assembly LH/RH transmits a door lock sensor operation signal to the collation ECM (smart key ECM assembly) (entry lock function).
The front door outer handle assembly LH/RH detects the operation performed on itself via the touch sensor, and transmits a signal to the collation ECM (smart key ECM assembly)
(entry unlock function).
Indoor electrical key antenna assembly no. 1 (front floor), indoor electrical key antenna assembly no. 2 (rear floor) Receive request signals from the collation ECM (smart key ECM assembly), and form the vehicle interior detection area.
Indoor electrical key antenna assembly no. 3 (trunk) Upon reception of a request signal transmitted from the collation ECM (smart key ECM assembly), the indoor electrical key antenna assembly no. 3 (trunk) creates a detection area inside the trunk.
Electrical key antenna (trunk exterior) Upon reception of a request signal transmitted from the collation ECM (smart key ECM assembly), the electrical key antenna (trunk exterior) creates a detection area outside the trunk.
Trunk opening switch assembly The trunk door opening switch assembly transmits a switch operation signal to the collation ECM (smart key ECM assembly).
Door control receiver The door control receiver receives an entry & start system code / wireless code transmitted from the electrical key transmitter SUB assembly and then transmits it to the collation ECM (smart key ECM assembly).
Wireless door lock buzzer This warning buzzer is activated by the collation ECM (smart key ECM assembly).
Electrical key transmitter sub-assembly Sends the ID code when it receives a request signal.
Collation ECM (smart key ECM assembly) The collation ECM (smart key ECM assembly) transmits a request code to each electrical key antenna. It identifies and checks the ID code transmitted from the electrical key transmitter SUB assembly and then transmits a signal to an appropriate ECM according to the function operated.
When an ignition operation is performed, the collation ECM (smart key ECM assembly) exchanges encrypted codes with the steering lock ECM (steering lock actuator assembly).(1)
When an ignition operation is performed, the collation ECM (smart key ECM assembly) exchanges encrypted codes with the ID code box (immobilizer code ECM).(2)
(1) The ID code box is not included.
(2) The ID code box is included.