LEMON Manuals: Even more car manuals for everyone
Home >> Subaru >> 2016 >> BRZ Series.HyperBlue >> Repair and Diagnosis >> Engine Performance >> System >> Engine Control System Diagnostics - System & Circuit Checks >> VC Power Supply Circuit >> Circuit figure

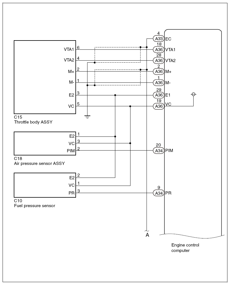
Circuit figure

Fig 1: VC Power Supply Circuit Diagram (1 Of 2)
G10212973Courtesy of SUBARU OF AMERICA, INC.
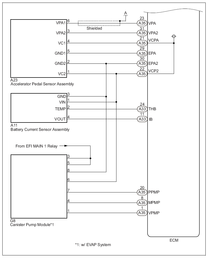
Fig 2: VC Power Supply Circuit Diagram (2 Of 2)
G10212974Courtesy of SUBARU OF AMERICA, INC.