LEMON Manuals: Even more car manuals for everyone
Home >> Subaru >> 2015 >> WRX Base >> Repair and Diagnosis >> External Pages >> Different car >> Section 186 (Security And Locks - Keyless Access (W/Push Button Start) (Diagnostics)) >> Diagnostic Procedure with Diagnostic Trouble Code (DTC) >> DTC B2785 Lin Communication >> Wiring Diagram

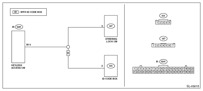
DTC B2785 Lin Communication: Wiring Diagram

WARNING: This page is about a different car, the 2016 Subaru Outback and 2016 Subaru Legacy. However, it is still accessible from the selected car via links, so may be relevant.
NOTE: For the coupling connector, refer to "WIRING SYSTEM".
Keyless access with push button start system < Ref. to appropriate wiring diagram in SYSTEM WIRING DIAGRAM article. >
Fig 1: LIN Communication - Wiring Diagram
G10277437Courtesy of SUBARU OF AMERICA, INC.
DIAGNOSTICS PROCEDURE

Step Check Yes No
1 CHECK DTC. 
  1. Using the Subaru Select Monitor, clear the memory. < Ref. to CLEAR MEMORY MODE . >
  2. Read DTC using the Subaru Select Monitor. < Ref. to READ DIAGNOSTIC TROUBLE CODE (DTC) . >
Is DTC B2785 displayed? Go to step . Even if DTC is displayed, the circuit has returned to a normal condition at this time. Reproduce the failure, and then perform the diagnosis again.
NOTE: In this case, temporary poor contact of connector, temporary open or short circuit of harness may be the cause.
2 CHECK HARNESS (OPEN CIRCUIT). 
  1. Disconnect the keyless access control module connector.
  2. Disconnect the steering lock control module connector.
  3. Disconnect the ID code box connector. (With ID code box)
  4. Using the tester, measure the resistance between terminals.

    Connector & terminal 

    (i241) No. 13 - (i47) No. 5: 

    (i241) No. 13 - (i33) No. 2: (with ID code box) 

Is the resistance less than 1 Ω? Go to step . Repair or replace the open circuit of harness.
3 CHECK HARNESS (GROUND SHORT CIRCUIT). 
Using the tester, measure the resistance between terminals.
Connector & terminal 
(i241) No. 13 - Chassis ground: 
(i47) No. 5 - Chassis ground: 
(i33) No. 2 - Chassis ground: (with ID code box) 
Is the resistance 10 kΩ or more? Go to step . Repair or replace the short circuit of the harness.
4 CHECK HARNESS. 
  1. Connect the keyless access control module connector only.
  2. Read DTC using the Subaru Select Monitor. < Ref. to READ DIAGNOSTIC TROUBLE CODE (DTC) . >
Is B2785 displayed? Replace the keyless access control module. < Ref. to KEYLESS ACCESS CONTROL MODULE . > Go to step .
5 CHECK ID CODE BOX. 
NOTE: For model without ID code box, go to the next step.

  1. Connect the ID code box.
  2. Read DTC using the Subaru Select Monitor. < Ref. to READ DIAGNOSTIC TROUBLE CODE (DTC) . >
Is B2785 displayed? Replace the ID code box. < Ref. to ID CODE BOX . > Go to step .
6 CHECK STEERING LOCK CONTROL MODULE. 
  1. Connect the steering lock control module.
  2. Using the Subaru Select Monitor, clear the memory. < Ref. to CLEAR MEMORY MODE . >
  3. Read DTC using the Subaru Select Monitor. < Ref. to READ DIAGNOSTIC TROUBLE CODE (DTC) . >
Is B2785 displayed? Replace the steering lock control module. < Ref. to STEERING LOCK CONTROL MODULE . > Even if DTC is displayed, the circuit has returned to a normal condition at this time. Reproduce the failure, and then perform the diagnosis again.
NOTE: In this case, temporary poor contact of connector, temporary open or short circuit of harness may be the cause.