LEMON Manuals: Even more car manuals for everyone
Home >> Subaru >> 2015 >> WRX Base >> Repair and Diagnosis (Single Page) >> Steering >> Manual Steering >> Power Steering System (Diagnostics) >> Control Module I/O Signal >> Wiring Diagram

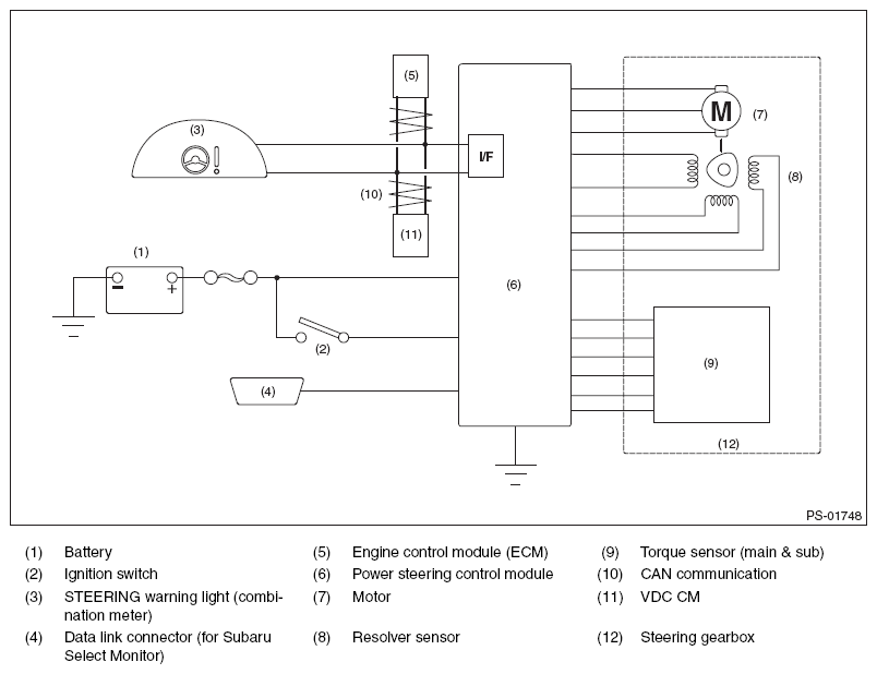
Control Module I/O Signal: Wiring Diagram

Fig 1: Engine Control Module - Wiring Diagram
G10270241Courtesy of SUBARU OF AMERICA, INC.