LEMON Manuals: Even more car manuals for everyone
Home >> Subaru >> 2015 >> WRX Base >> Repair and Diagnosis (Single Page) >> Engine Performance >> System >> Engine Controls (Diagnostics) (H4DOTC) (Except STI) >> Diagnostic Procedure with Diagnostic Trouble Code (DTC) >> DTC P113A O2 Sensor Circuit (Open) (Bank1 Sensor2) >> Wiring Diagram

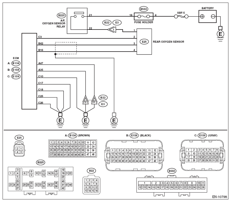
DTC P113A O2 Sensor Circuit (Open) (Bank1 Sensor2): Wiring Diagram

DIAGNOSTIC PROCEDURE

Step Check Yes No
1 CHECK FOR ANY OTHER DTC ON DISPLAY  . Is any other DTC displayed? Check the appropriate DTC using the "List of Diagnostic Trouble Code (DTC)". <Ref. to LIST OF DIAGNOSTIC TROUBLE CODE (DTC) .> Go to step .
2 CHECK REAR OXYGEN SENSOR DATA  .
  1. Warm up the engine until engine coolant temperature is higher than 75°C (167°F), and keep the engine speed at 3, 000 rpm. (2 minutes maximum)
  2. Read the value of «Oxygen sensor #12» using the Subaru Select Monitor or a general scan tool.
    NOTE:
    • Subaru Select Monitor

      For detailed operation procedures, refer to "READ CURRENT DATA FOR ENGINE". <Ref. to SUBARU SELECT MONITOR .>

    • General scan tool

      For detailed operation procedures, refer to the general scan tool operation manual.

Is the value of «Oxygen sensor #12» 0.490 V or more? Go to step . Go to step .
3 CHECK REAR OXYGEN SENSOR CONNECTOR  . Has water entered the connector? Completely remove any water inside. Go to step .
4 CHECK HARNESS BETWEEN ECM AND REAR OXYGEN SENSOR CONNECTOR  .
  1. Turn the ignition switch to OFF.
  2. Disconnect the connector from ECM and rear oxygen sensor.
  3. Measure the resistance of harness between ECM connector and rear oxygen sensor connector.

    Connector & terminal 

    E-150 No. 42 - (E25) No. 3: 

    E-150 No. 16 - (E25) No. 4: 

Is the resistance less than 1 Ω? Go to step . Repair the open circuit of harness between ECM connector and rear oxygen sensor connector.
5 CHECK HARNESS BETWEEN ECM AND REAR OXYGEN SENSOR CONNECTOR  .
Measure the resistance of harness between ECM connector and rear oxygen sensor connector.
Connector & terminal 
E-150 No. 16 - Engine ground 
E-150 No. 42 - Engine ground 
Is the resistance 1 Ω or more? Go to step . Repair the short circuit to ground in harness between ECM connector and rear oxygen sensor connector.
6 CHECK EXHAUST SYSTEM  .
Check exhaust system parts.
NOTE: Check the following items.

  • Looseness and improper fitting of exhaust system parts
  • Damage (crack, hole etc.) of parts
  • Loose part and improper installation between front oxygen (A/F) sensor and rear oxygen sensor
Is there any fault in exhaust system? Repair or replace faulty parts. Replace the rear oxygen sensor. <Ref. to REAR OXYGEN SENSOR .>