LEMON Manuals: Even more car manuals for everyone
Home >> Subaru >> 2015 >> WRX Base >> Repair and Diagnosis (Single Page) >> Engine Performance >> System >> Diagnostic Trouble Code (DTC) Detecting Criteria (H4DOTC) (Except STI) >> Diagnostic Trouble Code (DTC) Detecting Criteria >> DTC P2101 Throttle Actuator Control Motor Circuit Range/Performance >> Component Description

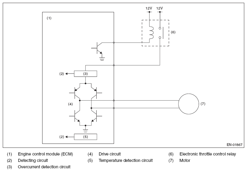
Component Description

Fig 1: Throttle Actuator Control Motor Circuit Diagram (Range/Performance)
G10267758Courtesy of SUBARU OF AMERICA, INC.