LEMON Manuals: Even more car manuals for everyone
Home >> Subaru >> 2015 >> Outback 2.5i >> Repair and Diagnosis >> Transmission >> Transmission Control Systems >> AT Shift Lock Control System >> Wiring Diagram >> Model Without Push Button Ignition Switch

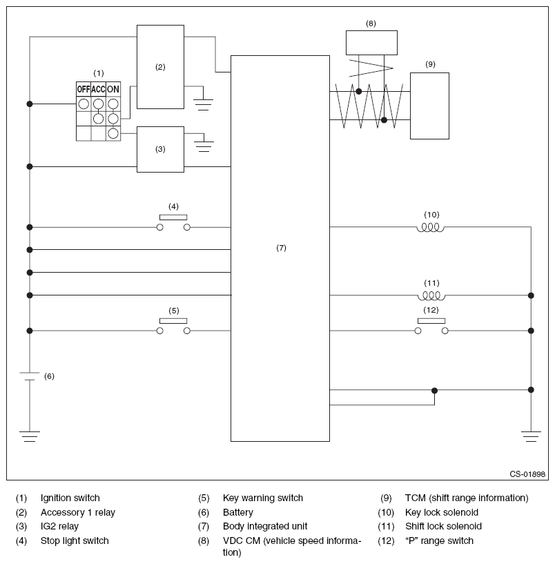
Model Without Push Button Ignition Switch

Fig 1: Model Without Push Button Ignition Switch - Wiring Diagram
G10274671Courtesy of SUBARU OF AMERICA, INC.