LEMON Manuals: Even more car manuals for everyone
Home >> Subaru >> 2015 >> BRZ Limited, Standard Trans >> Repair and Diagnosis >> Engine Performance >> System >> Engine Control System Diagnostics - System & Circuit Checks >> Starter System (Models With Smart Entry & Start System) >> Circuit figure

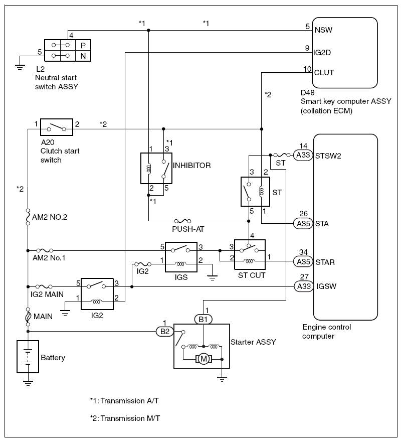
Circuit figure

Fig 1: Starter System Circuit Diagram (Models With Smart Entry & Start System)
G10212963Courtesy of SUBARU OF AMERICA, INC.