LEMON Manuals: Even more car manuals for everyone
Home >> Subaru >> 2015 >> BRZ Limited, Standard Trans >> Repair and Diagnosis >> Engine Performance >> System >> Engine Control System Diagnostics - Introduction >> EFI System (Fa20) >> Circuit Figure

Circuit Figure

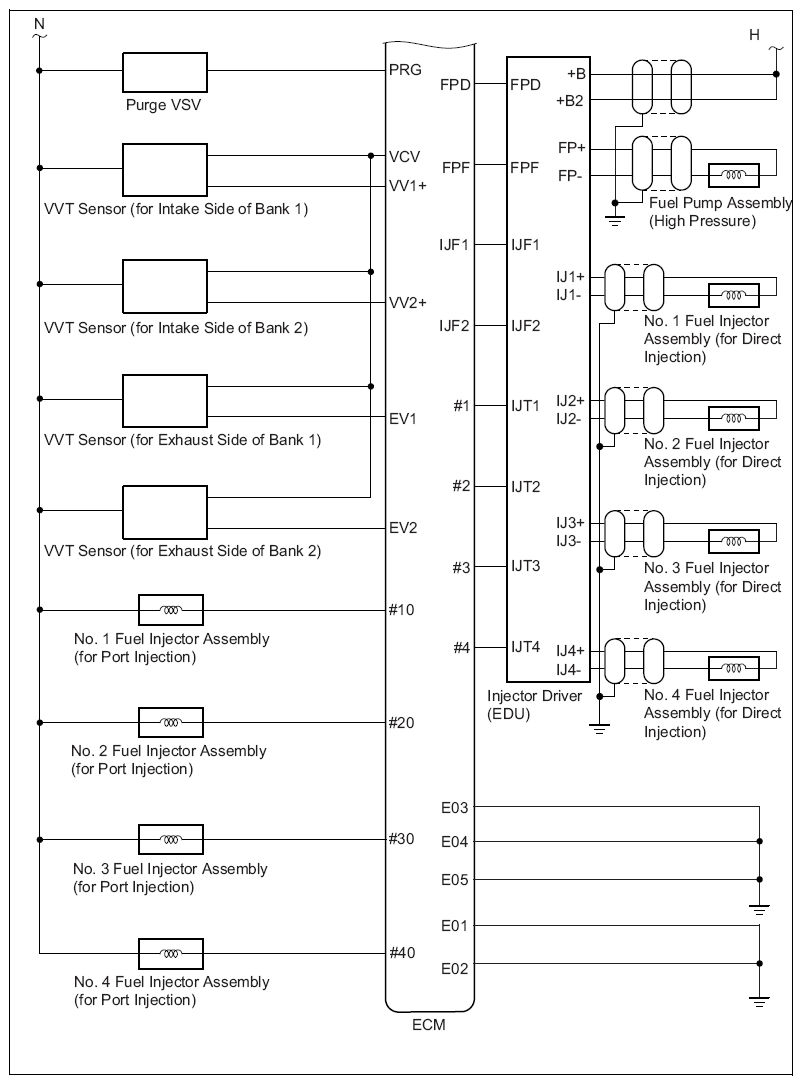
Fig 1: Engine Control System Circuit Diagram (1 Of 7)
G10212731Courtesy of SUBARU OF AMERICA, INC.
Fig 2: Engine Control System Circuit Diagram (2 Of 7)
G10212732Courtesy of SUBARU OF AMERICA, INC.
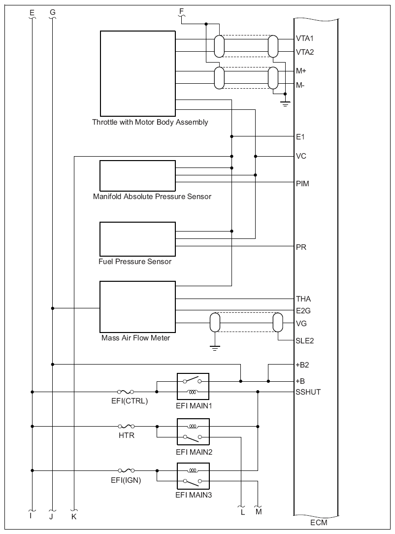
Fig 3: Engine Control System Circuit Diagram (3 Of 7)
G10212733Courtesy of SUBARU OF AMERICA, INC.
Fig 4: Engine Control System Circuit Diagram (4 Of 7)
G10212734Courtesy of SUBARU OF AMERICA, INC.
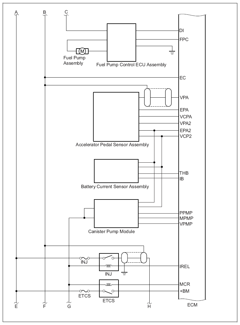
Fig 5: Engine Control System Circuit Diagram (5 Of 7)
G10212735Courtesy of SUBARU OF AMERICA, INC.
Fig 6: Engine Control System Circuit Diagram (6 Of 7)
G10212736Courtesy of SUBARU OF AMERICA, INC.
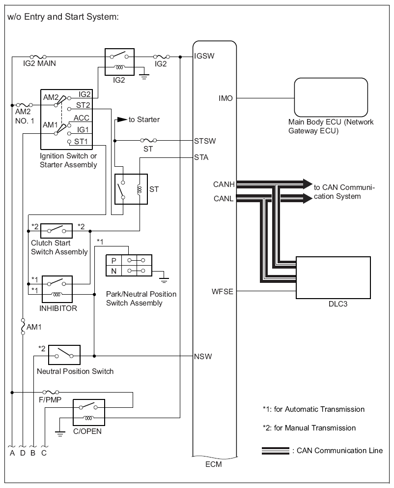
Fig 7: Engine Control System Circuit Diagram (7 Of 7)
G10212737Courtesy of SUBARU OF AMERICA, INC.