LEMON Manuals: Even more car manuals for everyone
Home >> Subaru >> 2014 >> BRZ Premium >> Repair and Diagnosis >> Steering >> Steering Column >> Steering Lock System >> Circuit Figure

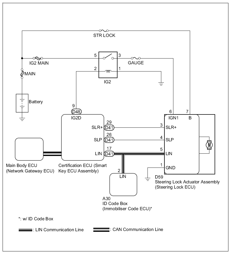
Circuit Figure

Fig 1: Steering Lock System - Circuit Diagram
G08555382Courtesy of SUBARU OF AMERICA, INC.