LEMON Manuals: Even more car manuals for everyone
Home >> Subaru >> 2014 >> BRZ Limited, Standard Trans >> Repair and Diagnosis >> Engine Performance >> System >> Engine Control System (Diagnostics) - Introduction & DTC Index >> EFI System (FA20) >> Circuit Figure

Circuit Figure

Fig 1: EFI System - Circuit Diagram (With Entry And Start System)
G08553673Courtesy of SUBARU OF AMERICA, INC.
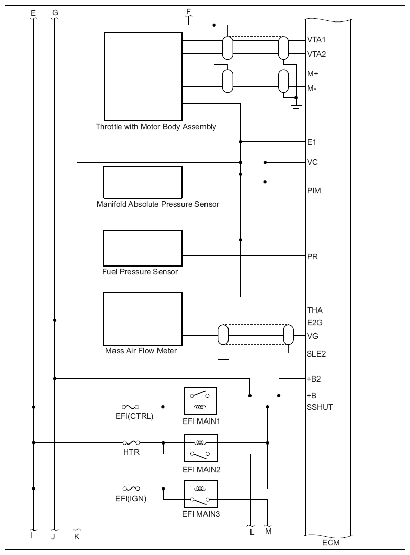
Fig 2: EFI System (Without Entry And Start System) - Circuit Diagram (1 Of 6)
G08553674Courtesy of SUBARU OF AMERICA, INC.
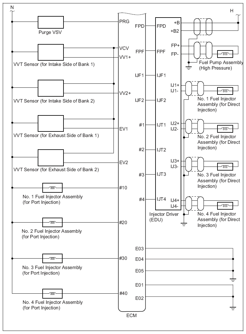
Fig 3: EFI System (Without Entry And Start System) - Circuit Diagram (2 Of 6)
G08553675Courtesy of SUBARU OF AMERICA, INC.
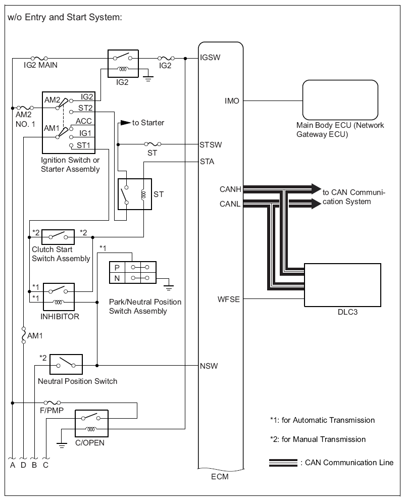
Fig 4: EFI System (Without Entry And Start System) - Circuit Diagram (3 Of 6)
G08553676Courtesy of SUBARU OF AMERICA, INC.
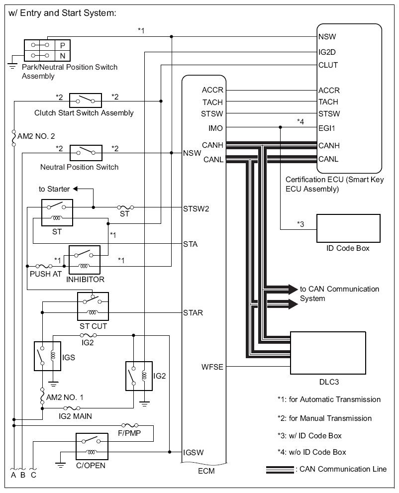
Fig 5: EFI System (Without Entry And Start System) - Circuit Diagram (4 Of 6)
G08553677Courtesy of SUBARU OF AMERICA, INC.
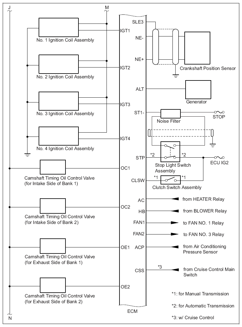
Fig 6: EFI System (Without Entry And Start System) - Circuit Diagram (5 Of 6)
G08553678Courtesy of SUBARU OF AMERICA, INC.
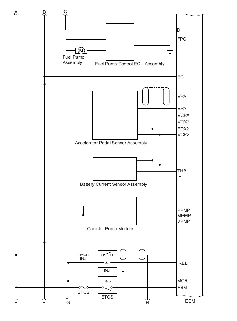
Fig 7: EFI System (Without Entry And Start System) - Circuit Diagram (6 Of 6)
G08553679Courtesy of SUBARU OF AMERICA, INC.