LEMON Manuals: Even more car manuals for everyone
Home >> Subaru >> 2014 >> BRZ Limited, Automatic Trans >> Repair and Diagnosis >> Engine Performance >> Engine Control Systems >> Fuel Injection System >> Fuel System (FA20) >> Circuit Figure

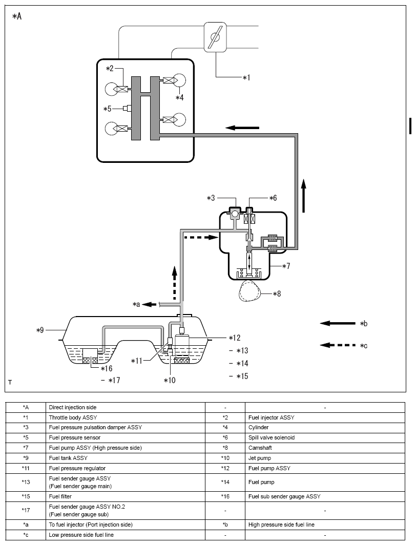
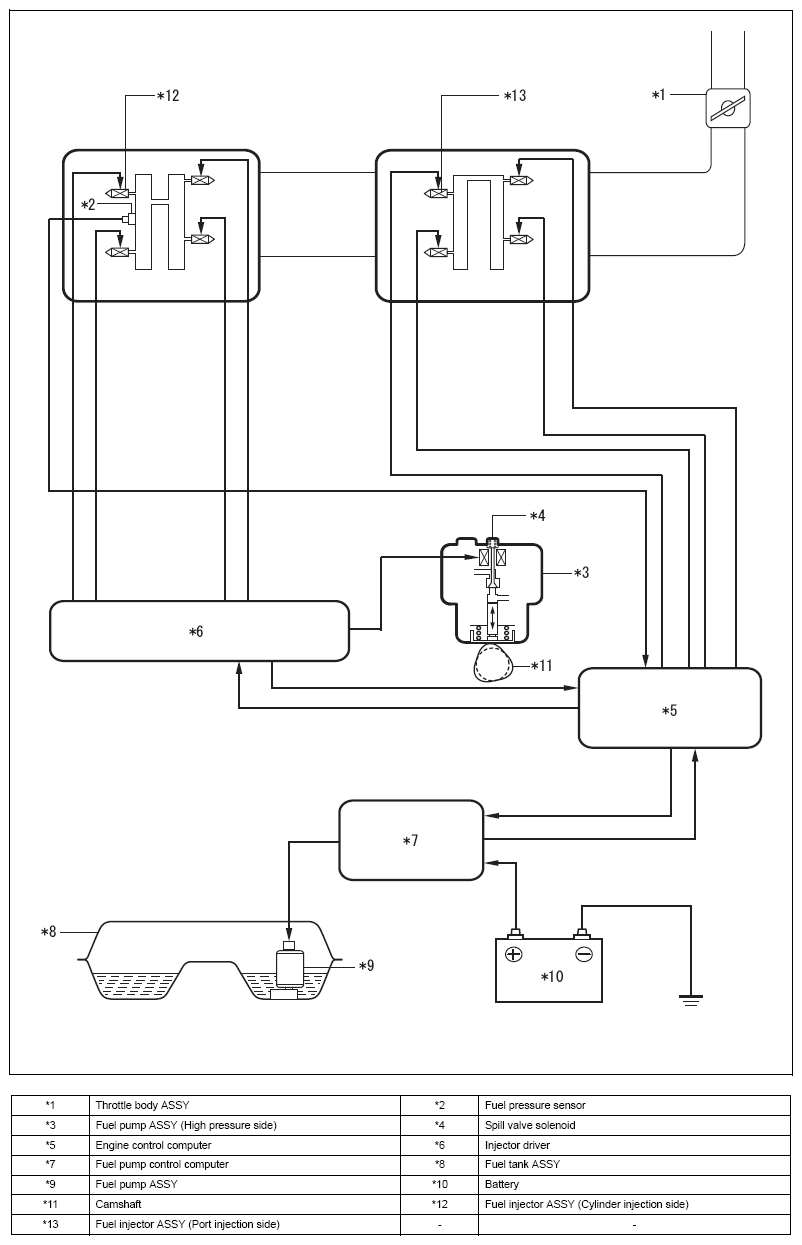
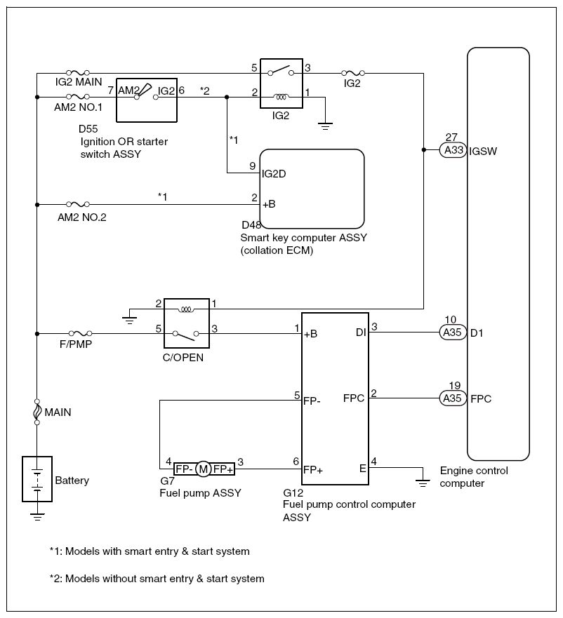
Circuit Figure

Fig 1: Fuel System - Circuit Diagram (1 Of 3)
G08552513Courtesy of SUBARU OF AMERICA, INC.
Fig 2: Fuel System - Circuit Diagram (2 Of 3)
G08552514Courtesy of SUBARU OF AMERICA, INC.
Fig 3: Fuel System - Circuit Diagram (3 Of 3)
G08552515Courtesy of SUBARU OF AMERICA, INC.
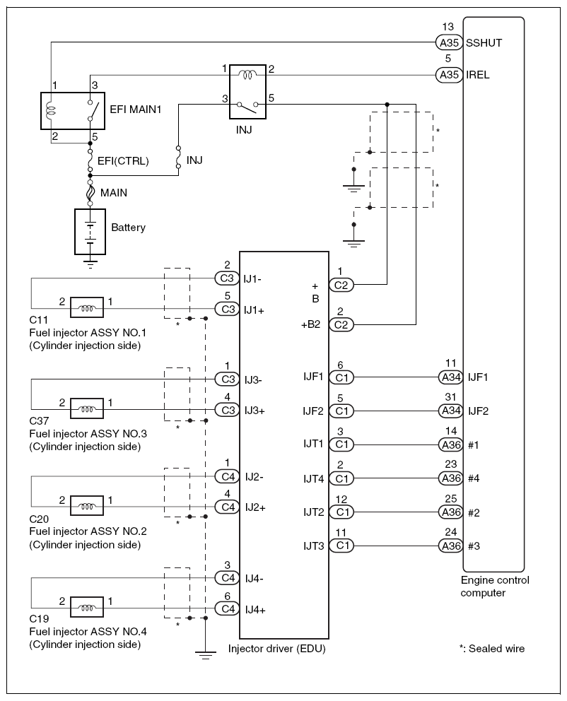
  1. Fuel injector assembly (Cylinder injection side)
    Fig 4: Fuel Injector Assembly (Cylinder Injection Side) - Circuit Diagram (1 Of 2)
    G08552516Courtesy of SUBARU OF AMERICA, INC.
    Fig 5: Fuel Injector Assembly (Cylinder Injection Side) - Circuit Diagram (2 Of 2)
    G08552517Courtesy of SUBARU OF AMERICA, INC.
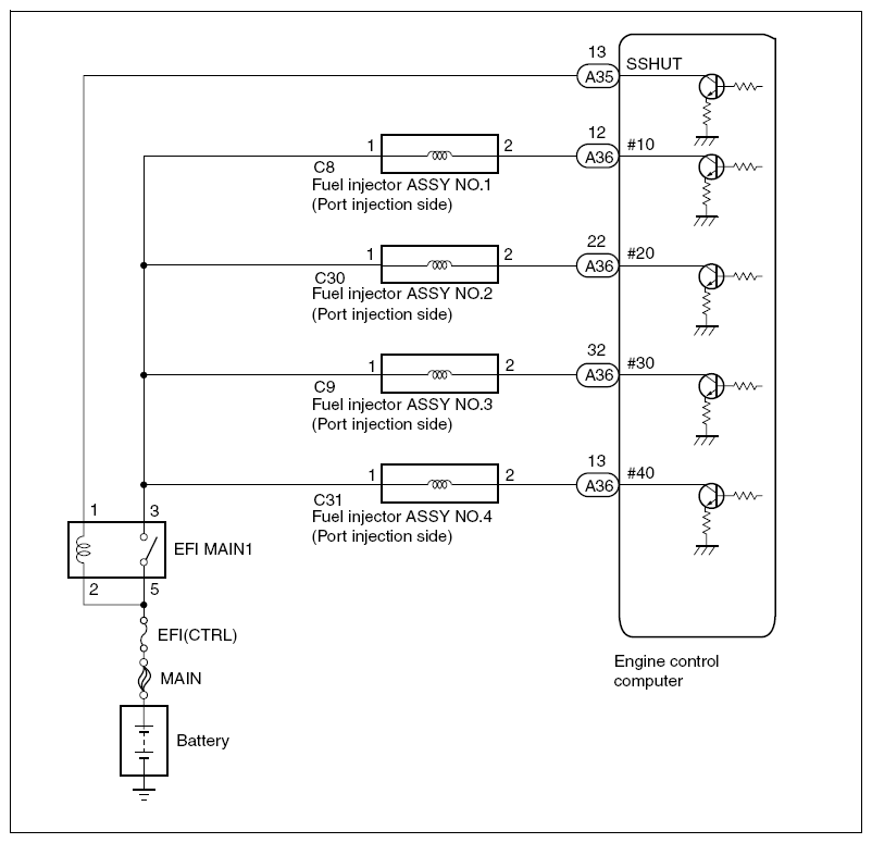
  2. Fuel injector assembly (Port injection side)
    Fig 6: Fuel Injector Assembly (Port Injection Side) - Circuit Diagram (1 Of 2)
    G08552518Courtesy of SUBARU OF AMERICA, INC.
    Fig 7: Fuel Injector Assembly (Port Injection Side) - Circuit Diagram (2 Of 2)
    G08552519Courtesy of SUBARU OF AMERICA, INC.