LEMON Manuals: Even more car manuals for everyone
Home >> Subaru >> 2013 >> Tribeca >> Repair and Diagnosis >> Engine Performance >> System >> Engine Controls (Diagnostics) >> Diagnostic Procedure with Diagnostic Trouble Code (DTC) >> DTC P0606 Control Module Processor >> Wiring Diagram

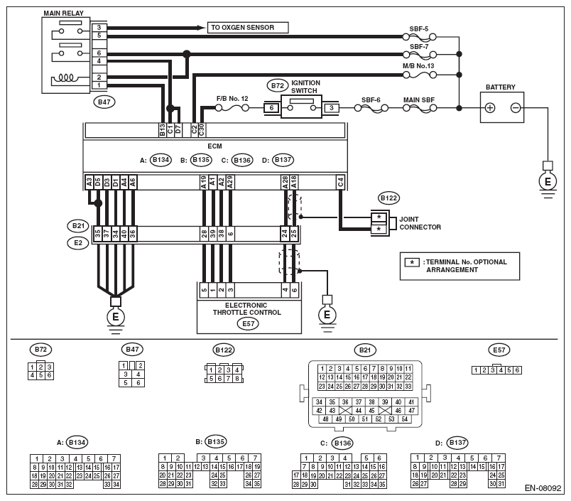
DTC P0606 Control Module Processor: Wiring Diagram

Engine electrical system Refer to Engine Electrical System Wiring Diagram.

Fig 1: Control Module Processor - Wiring Diagram
G07925239Courtesy of SUBARU OF AMERICA, INC.