LEMON Manuals: Even more car manuals for everyone
Home >> Subaru >> 2013 >> Tribeca >> Repair and Diagnosis >> Engine Performance >> System >> Engine Controls (Diagnostics) >> Diagnostic Procedure with Diagnostic Trouble Code (DTC) >> DTC P0134 O2 Sensor Circuit No Activity Detected (Bank 1 Sensor 1) >> Wiring Diagram

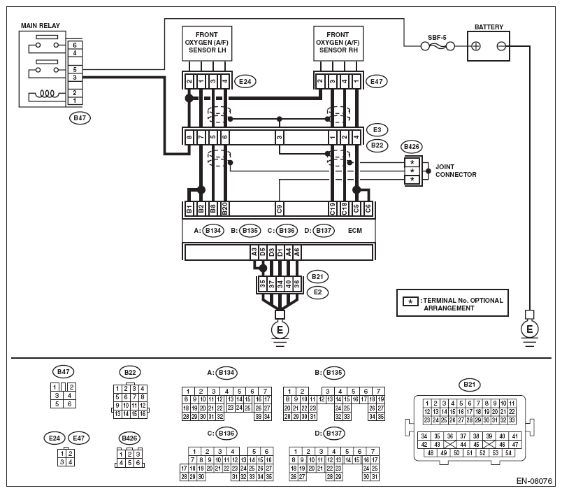
DTC P0134 O2 Sensor Circuit No Activity Detected (Bank 1 Sensor 1): Wiring Diagram

Engine electrical system Refer to Engine Electrical System Wiring Diagram.

Fig 1: Oxygen Sensor - Wiring Diagram
G07925173Courtesy of SUBARU OF AMERICA, INC.