LEMON Manuals: Even more car manuals for everyone
Home >> Subaru >> 2013 >> Tribeca >> Repair and Diagnosis >> Engine Performance >> System >> Diagnostic Trouble Code Detecting Criteria >> Diagnostic Trouble Code (DTC) Detecting Criteria >> DTC P2101 Throttle Actuator Control Motor Circuit Range/Performance >> Component Description

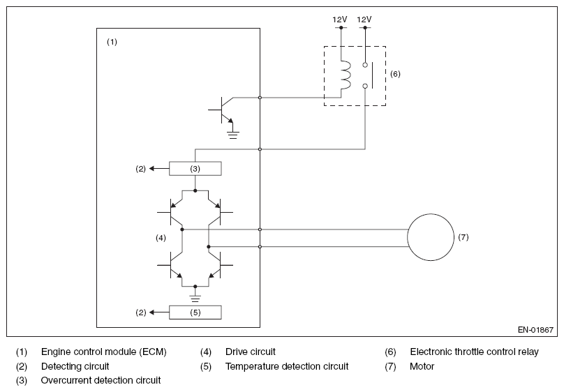
Component Description

Fig 1: Throttle Actuator Control Motor - Circuit Diagram
G08544857Courtesy of SUBARU OF AMERICA, INC.