LEMON Manuals: Even more car manuals for everyone
Home >> Subaru >> 2013 >> Tribeca >> Repair and Diagnosis (Single Page) >> Brakes >> Traction Control >> Vehicle Dynamics Control System (Diagnostics) >> Control Module I/O Signal >> Wiring Diagram

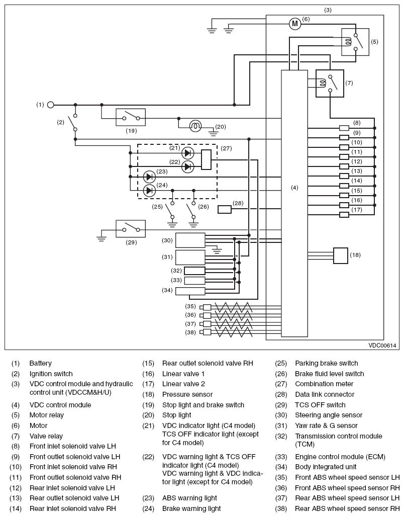
Control Module I/O Signal: Wiring Diagram

Fig 1: Control Module I/O Connector - Wiring Diagram
G08545739Courtesy of SUBARU OF AMERICA, INC.