LEMON Manuals: Even more car manuals for everyone
Home >> Subaru >> 2013 >> Outback R >> Repair and Diagnosis >> Engine Performance >> Engine Control Systems >> Fuel Injection System (H6DO) >> General Description >> Components With Torque Specifications >> Intake Manifold

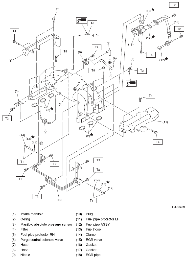
Intake Manifold

Fig 1: Intake Manifold And Related Replacement Components With Torque Specifications
G08580883Courtesy of SUBARU OF AMERICA, INC.

Tightening torque: N.m (kgf-m, ft-lb) 

T1: 1.25 (0.1, 0.9) 

T2: 6.4 (0.7, 4.7) 

T3: 17 (1.7, 12.5) 

T4: 19 (1.9, 14.0) 

T5: 25 (2.5, 18.4)