LEMON Manuals: Even more car manuals for everyone
Home >> Subaru >> 2013 >> Outback R >> Repair and Diagnosis (Single Page) >> Engine Performance >> System >> Engine Controls (Diagnostics) (H6DO) >> Diagnostic Procedure with Diagnostic Trouble Code (DTC) >> DTC P0616: Starter Relay Circuit Low >> Model With Push Button Start >> Wiring Diagram

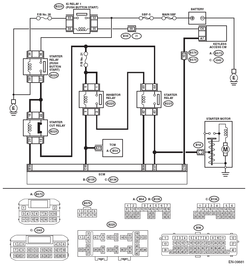
Model With Push Button Start: Wiring Diagram

Engine electrical system, 3.6 L model (with push button start). See appropriate SYSTEM WIRING DIAGRAM article.

Fig 1: Starter Motor - Wiring Diagram (Model With Push Button Start)
G08581605Courtesy of SUBARU OF AMERICA, INC.
Step Check Yes No
1 CHECK HARNESS BETWEEN ECM AND STARTER RELAY CONNECTOR. 
  1. Turn the ignition to OFF.
  2. Disconnect the connector from ECM.
  3. Remove the starter relay.
  4. Measure the resistance of harness between ECM and starter relay connector.

    Connector & terminal 

    (B136) No. 27 - (B225) No. 43: 

Is the resistance less than 1 Ω? Go to step . Repair the open circuit of harness between ECM and starter relay connector.
2 CHECK HARNESS BETWEEN ECM AND STARTER RELAY CONNECTOR. 
  1. Disconnect the connector from starter motor.
  2. Measure the resistance between ECM and chassis ground.

    Connector & terminal 

    (B136) No. 27 - Chassis ground: 

Is the resistance 1 MΩ or more? Repair the poor contact of ECM connector. Repair the short circuit to ground in harness between ECM and starter relay connector.