LEMON Manuals: Even more car manuals for everyone
Home >> Subaru >> 2013 >> Outback R >> Repair and Diagnosis (Single Page) >> Engine Performance >> System >> Diagnostic Trouble Code (DTC) Detecting Criteria (H6DO) >> Diagnostic Trouble Code (DTC) Detecting Criteria >> DTC P062F Internal Control Module EEPROM Error >> Component Description

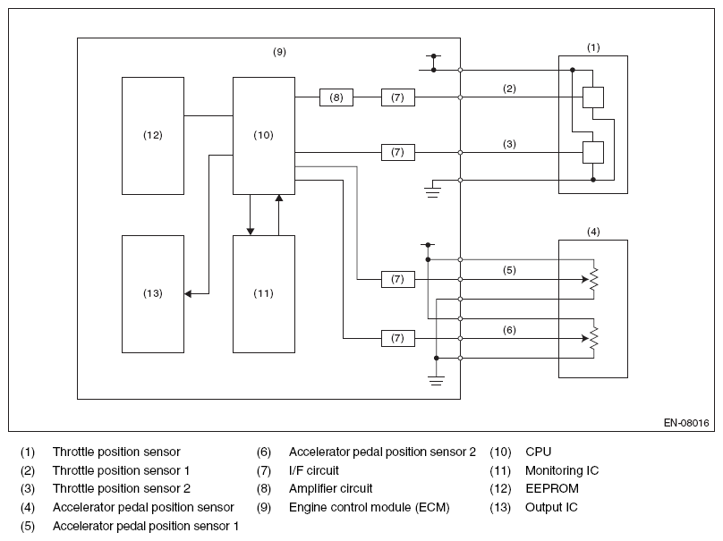
Component Description

Fig 1: Internal Control Module EEPROM Error - Circuit Diagram
G08581810Courtesy of SUBARU OF AMERICA, INC.