LEMON Manuals: Even more car manuals for everyone
Home >> Subaru >> 2013 >> Outback Base, Standard Trans >> Repair and Diagnosis >> Transmission >> Manual Trans >> Transmission Control Systems >> AT Shift Lock Control System >> Wiring Diagram >> Model Without Push Button Ignition Switch

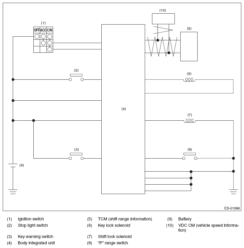
Model Without Push Button Ignition Switch

Fig 1: AT Shift Lock Control System - Wiring Diagram (Model Without Push Button Ignition Switch)
G08578377Courtesy of SUBARU OF AMERICA, INC.