Hydraulic System
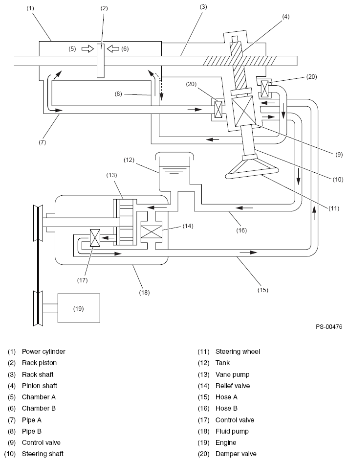
- The fluid pump is directly driven by the engine through a belt.
- The fluid flow is maintained almost constant regardless of change in the engine speed by the function of the flow control valve. The flow-regulated fluid is delivered to the control valve through hose A.
- When the steering wheel is turned, the rotary control valve connected to the pinion shaft opens the hydraulic circuit corresponding to the direction in which the steering wheel is turned. The fluid then flows into chamber A or B via pipe A or B.
- The fluid pressure in chamber A or B acts on the rack piston in the same direction as the rack shaft is moved by rotation of the steering wheel. This helps reduce the effort required of the driver to operate the steering wheel.
- Movement of the rack piston causes the fluid in the other chamber to return to the reservoir tank via pipe A or B, control valve, and hose B.
- As the steering shaft is connected to the pinion shaft mechanically via the rotary control valve, the steering system can operate as a manual system even if the hydraulic system becomes inoperative.
- To control the maximum fluid pressure, a relief valve is built into the fluid pump to prevent buildup of excessive fluid pressure.
- Since a damper valve is provided in the fluid passage, the steering stability in straight forward direction is improved and kickback is reduced.
Courtesy of SUBARU OF AMERICA, INC.