LEMON Manuals: Even more car manuals for everyone
Home >> Subaru >> 2013 >> Outback Base, Standard Trans >> Repair and Diagnosis >> External Pages >> Different variant/trim >> Section 10 (Continuously Variable Transaxle (CVT) (Diagnostics)) >> Diagnostic Procedure with Diagnostic Trouble Code (DTC) >> DTC P2750 Sec. Pulley Revolution Speed Sensor Circuit >> Wiring Diagram

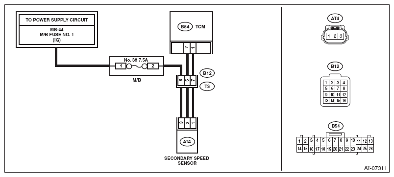
DTC P2750 Sec. Pulley Revolution Speed Sensor Circuit: Wiring Diagram

WARNING: This page is about a different variant/trim than selected.

CVT Control System. See appropriate SYSTEM WIRING DIAGRAM article.

Fig 1: CVT Control System - Wiring Diagram (SEC. Pulley Revolution Speed Sensor)
G08579114Courtesy of SUBARU OF AMERICA, INC.
DIAGNOSTIC PROCEDURE

Step Check Yes No
1 CHECK FUSE. 
  1. Turn the ignition switch to OFF.
  2. Remove the M/B fuse (No. 38).
Is the fuse OK? Go to step . Replace the fuse. If the fuse blows out easily, repair the short circuit of harness.
2 CHECK HARNESS. 
  1. Turn the ignition switch to OFF.
  2. Disconnect the TCM and transmission connectors.
  3. Measure the resistance between TCM connector and transmission connectors.

    Connector & terminal 

    (B54) No. 1 - (B12) No. 7: 

    (B54) No. 7 - (B12) No. 5: 

    (M/B No. 38) No. 2 - (B12) No. 6: 

Is the resistance less than 1 Ω? Go to step . Repair the open circuit of harness.
3 CHECK HARNESS. 
Measure the resistance between TCM connector and chassis ground.
Connector & terminal 
(B54) No. 7 - Chassis ground: 
Is the resistance 1 MΩ or more? Go to step . Repair the short circuit of harness.
4 CHECK TRANSMISSION HARNESS. 
  1. Connect the TCM connector.
  2. Turn the ignition switch to ON.
  3. Measure the voltage between transmission connector terminals.

    Connector & terminal 

    (B12) No. 6 (+) - (B12) No. 7 (-): 

Is the voltage 10 - 13 V? Go to step . Repair the open circuit of harness or poor contact of connector.
5 CHECK INPUT SIGNAL FOR TCM. 
  1. Turn the ignition switch to OFF.
  2. Connect the transmission connector.
  3. Lift up the vehicle.
  4. Start the engine.
  5. Set the select lever to "D" range.
  6. Read the data of «Secondary Pulley Speed» using Subaru Select Monitor.
Does the value of «Secondary Pulley Speed» change according to those of «Front Wheel Speed»? Current condition is normal. Repair the poor contacts of harnesses of secondary speed sensor and transmission connector. Go to step .
6 CHECK TRANSMISSION HARNESS. 
  1. Turn the ignition switch to OFF.
  2. Disconnect the transmission connector.
  3. Disconnect the secondary speed sensor connector.
  4. Measure the resistance between transmission connector and secondary speed sensor connector.

    Connector & terminal 

    (T3) No. 5 - (AT4) No. 2: 

    (T3) No. 6 - (AT4) No. 3: 

    (T3) No. 7 - (AT4) No. 1: 

Is the resistance less than 1 Ω? Replace the secondary speed sensor. Refer to SECONDARY SPEED SENSOR . Replace the transmission harness.