LEMON Manuals: Even more car manuals for everyone
Home >> Subaru >> 2013 >> Outback Base, Standard Trans >> Repair and Diagnosis >> External Pages >> Different car >> Section 43 (Transmission Control Systems) >> AT Shift Lock Control System >> Wiring Diagram

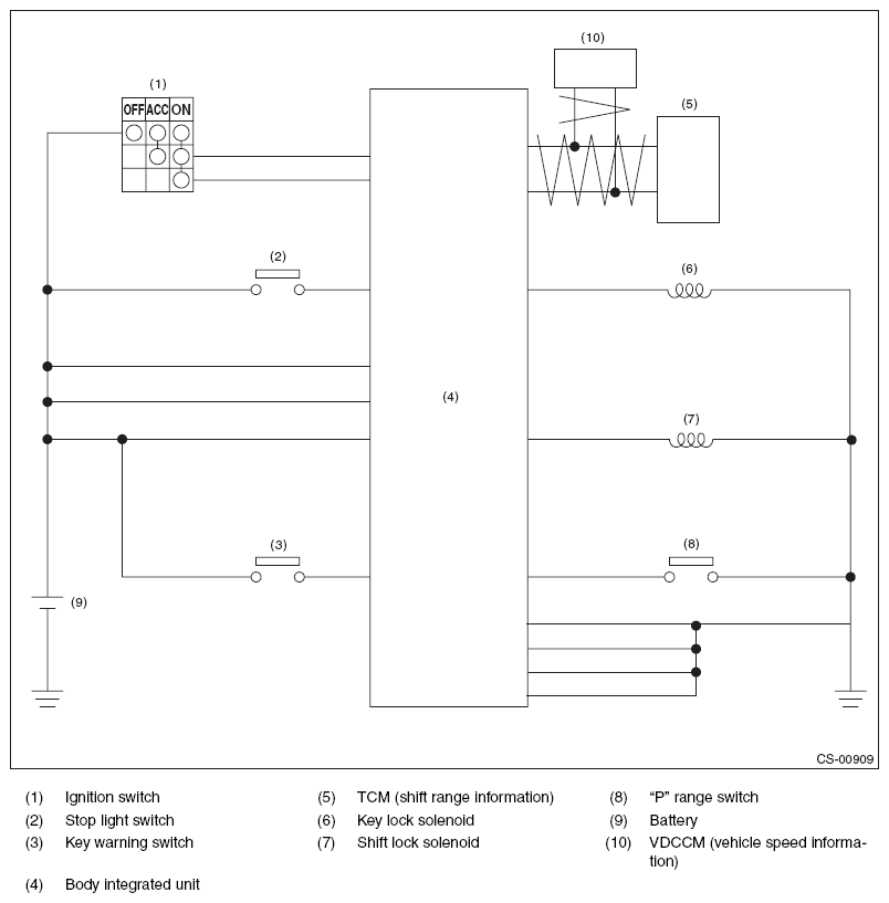
AT Shift Lock Control System: Wiring Diagram

WARNING: This page is about a different car, the 2013 Subaru Forester. However, it is still accessible from the selected car via links, so may be relevant.
Fig 1: AT Shift Lock Control System - Wiring Diagram
G08571431Courtesy of SUBARU OF AMERICA, INC.