LEMON Manuals: Even more car manuals for everyone
Home >> Subaru >> 2013 >> Outback Base, Standard Trans >> Repair and Diagnosis >> External Pages >> Different car >> Section 43 (Transmission Control Systems) >> AT Shift Lock Control System >> Inspection >> Body Integrated Unit Power Supply And Ground Circuit

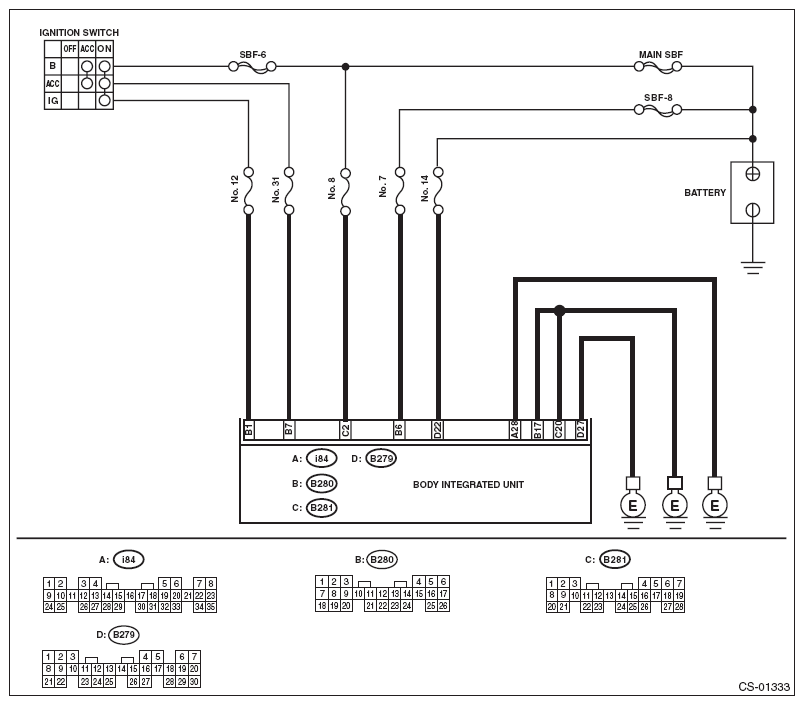
Body Integrated Unit Power Supply And Ground Circuit

WARNING: This page is about a different car, the 2013 Subaru Forester. However, it is still accessible from the selected car via links, so may be relevant.
Fig 1: Body Integrated Unit - Wiring Diagram
G08571432Courtesy of SUBARU OF AMERICA, INC.
Step Check Yes No
1 CHECK DTC OF BODY INTEGRATED UNIT. 
Check DTC of body integrated unit.
< Refer to OPERATION , Subaru Select Monitor. >
Is the DTC of power line displayed on body integrated unit? Repair or replace it according to the DTC. Go to step .
2 CHECK HARNESS BETWEEN BODY INTEGRATED UNIT AND BATTERY. 
  1. Turn the ignition switch to ON.
  2. Measure the voltage between body integrated unit and chassis ground.

    Connector & terminal 

    (B280) No. 1 (+) - Chassis ground (-): 

    (B280) No. 6 (+) - Chassis ground (-): 

    (B280) No. 7 (+) - Chassis ground (-): 

    (B281) No. 2 (+) - Chassis ground (-): 

    (B279) No. 22 (+) - Chassis ground (-): 

Is the voltage 9 - 16 V? Go to step . Check harness for open circuit between the body integrated unit and the battery or a blown fuse.
3 CHECK HARNESS BETWEEN BODY INTEGRATED UNIT AND CHASSIS GROUND. 
  1. Turn the ignition switch to OFF.
  2. Measure the harness resistance between the body integrated unit and chassis ground.

    Connector & terminal 

    (i84) No. 28 - Chassis ground: 

    (B279) No. 27 - Chassis ground: 

    (B280) No. 17 - Chassis ground: 

    (B281) No. 20 - Chassis ground: 

Is the resistance less than 1 Ω? Go to step . Repair the open circuit of harness between the body integrated unit and chassis ground.
4 CHECK FOR POOR CONTACT.  Is there poor contact of connector? Repair the poor contact. Check body integrated unit.