LEMON Manuals: Even more car manuals for everyone
Home >> Subaru >> 2013 >> Outback Base, Standard Trans >> Repair and Diagnosis >> Engine Performance >> System >> Engine Controls (Diagnostics) (H4DO) >> Diagnostic Procedure with Diagnostic Trouble Code (DTC) >> DTC P0617 Starter Relay Circuit High >> Model Without Push Button Start >> Wiring Diagram

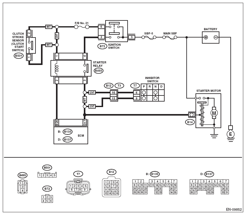
Model Without Push Button Start: Wiring Diagram

Engine electrical system, 2.5 L model (without push button start). See appropriate SYSTEM WIRING DIAGRAM article.

Fig 1: Starter Relay - Circuit Diagram (Model Without Push Button Start)
G08580665Courtesy of SUBARU OF AMERICA, INC.
DIAGNOSTIC PROCEDURE

Step Check Yes No
1 CHECK FOR ANY OTHER DTC ON DISPLAY.  Is any other DTC displayed? Check the appropriate DTC using the "List of Diagnostic Trouble Code (DTC)". Refer to LIST OF DIAGNOSTIC TROUBLE CODE (DTC) . Go to step .
2 CHECK HARNESS BETWEEN ECM AND STARTER RELAY CONNECTOR. 
  1. Turn the ignition switch to OFF.
  2. Disconnect the connector from ECM.
  3. Turn the ignition switch to ON.
  4. Measure the voltage between ECM and chassis ground.

    Connector & terminal 

    (B137) No. 17 (+) - Chassis ground (-): 

    NOTE: For CVT model, place the select lever in "P" range or "N" range.
Is the voltage 10 V or more? Repair the short circuit to power supply in harness between ECM and starter relay connector. Repair the poor contact of ECM connector.