LEMON Manuals: Even more car manuals for everyone
Home >> Subaru >> 2013 >> Outback Base, Standard Trans >> Repair and Diagnosis >> Engine Performance >> System >> Engine Controls (Diagnostics) (H4DO) >> Diagnostic Procedure with Diagnostic Trouble Code (DTC) >> DTC P0617 Starter Relay Circuit High >> Model With Push Button Start >> Wiring Diagram

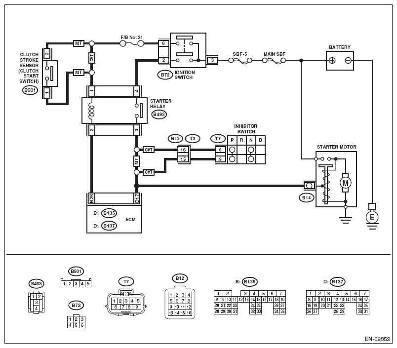
Model With Push Button Start: Wiring Diagram

Engine electrical system, 2.5 L model (with push button start). See appropriate SYSTEM WIRING DIAGRAM article.

Fig 1: Starter Relay - Circuit Diagram (Model With Push Button Start)
G08580666Courtesy of SUBARU OF AMERICA, INC.
Step Check Yes No
1 CHECK STARTER MOTOR. 
  1. Turn the ignition to ON.
  2. Check the starter motor condition.
Is the starter motor rotating? Go to step . Repair the short circuit to power supply.
NOTE: In this case, repair the following harnesses:
  • Short circuit to power supply in harness between ECM and starter relay connector
  • Short circuit to power supply in harness between ECM and starter motor
  • Short circuit to power supply in harness between starter relay connector and starter motor
2 CHECK HARNESS BETWEEN STARTER CUT RELAY CONNECTOR AND STARTER RELAY CONNECTOR. 
  1. Turn the ignition to OFF.
  2. Disconnect the connector from starter motor.
  3. Remove the starter cut relay, starter relay and inhibitor relay.
  4. Turn the ignition to ON.
  5. Measure the voltage between starter relay connector and chassis ground.

    Connector & terminal 

    (B225) No. 40 (+) - Chassis ground (-): 

Is the voltage 10 V or more? Repair the short circuit to power supply in harness between starter cut relay connector and starter relay connector. Go to step .
3 CHECK STARTER CUT RELAY. 
  1. Connect the battery to starter cut relay terminals No. 18 and No. 20.
  2. Measure the resistance between starter cut relay terminals.

    Terminals 

    No. 19 - No. 22: 

Is the resistance 1 MΩ or more? Go to step . Replace the starter cut relay. Refer to STARTER CUT RELAY . Go to step .
4 CHECK HARNESS BETWEEN ECM AND STARTER RELAY CONNECTOR. 
  1. Disconnect the connector from ECM.
  2. Measure the resistance between ECM and chassis ground.

    Connector & terminal 

    (B135) No. 26 - Chassis ground: 

Is the resistance 1 MΩ or more? Go to step . Repair the short circuit to ground in harness between ECM and starter relay connector.
5 CHECK STARTER RELAY. 
Measure the resistance between starter relay terminals.
Terminals 
No. 43 - No. 44: 
Is the resistance 1 MΩ or more? Go to step . Replace the starter relay. Refer to LOCATION .
6 CHECK HARNESS BETWEEN ECM, STARTER RELAY CONNECTOR AND STARTER MOTOR. 
  1. Disconnect the connector from ECM.
  2. Turn the ignition to ON.
  3. Measure the voltage between ECM and chassis ground.

    Connector & terminal 

    (B137) No. 14 (+) - Chassis ground (-): 

Is the voltage 10 V or more? Repair the short circuit to power supply.
NOTE: In this case, repair the following harnesses:
  • Short circuit to power supply in harness between ECM and starter relay connector
  • Short circuit to power supply in harness between ECM and starter motor
  • Short circuit to power supply in harness between starter relay connector and starter motor
Repair the poor contact of ECM connector.