LEMON Manuals: Even more car manuals for everyone
Home >> Subaru >> 2013 >> Outback Base, Standard Trans >> Repair and Diagnosis >> Engine Performance >> System >> Engine Controls (Diagnostics) (H4DO) >> Diagnostic Procedure with Diagnostic Trouble Code (DTC) >> DTC P0300 Random/Multiple Cylinder Misfire Detected >> Wiring Diagram

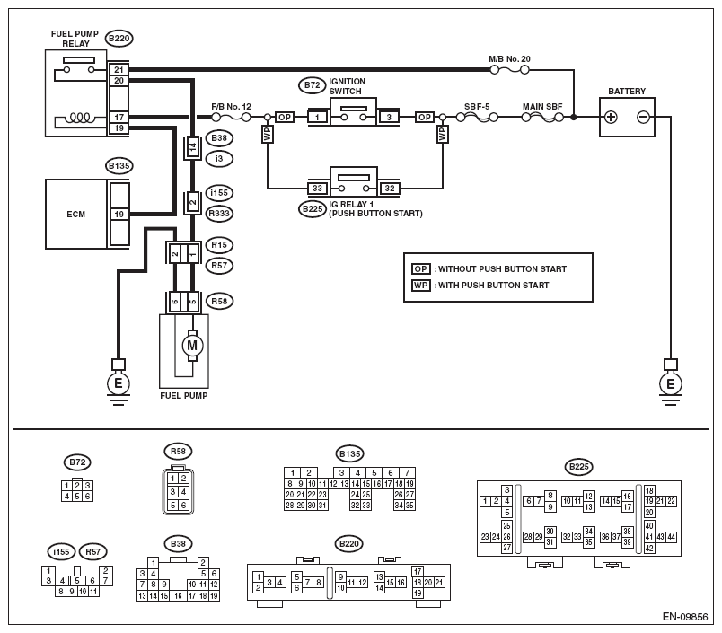
DTC P0300 Random/Multiple Cylinder Misfire Detected: Wiring Diagram

DIAGNOSTIC PROCEDURE

Step Check Yes No
1 CHECK OUTPUT SIGNAL OF ECM. 
  1. Turn the ignition switch to ON.
  2. Measure the voltage between ECM and chassis ground on all cylinders.

    Connector & terminal 

    #1 (B134) No. 12 (+) - Chassis ground (-): 

    #2 (B134) No. 22 (+) - Chassis ground (-): 

    #3 (B134) No. 32 (+) - Chassis ground (-): 

    #4 (B134) No. 13 (+) - Chassis ground (-): 

Is the voltage 10 V or more? Go to step . Go to step .
2 CHECK HARNESS BETWEEN ECM AND FUEL INJECTOR CONNECTOR. 
  1. Turn the ignition switch to OFF.
  2. Disconnect the connector from all fuel injectors.
  3. Measure the resistance between all fuel injector connectors and engine ground.

    Connector & terminal 

    #1 (E5) No. 1 - Engine ground: 

    #2 (E16) No. 1 - Engine ground: 

    #3 (E6) No. 1 - Engine ground: 

    #4 (E17) No. 1 - Engine ground: 

Is the resistance 1 MΩ or more? Go to step . Repair the short circuit to ground in harness between ECM and fuel injector connector.
3 CHECK HARNESS BETWEEN ECM AND FUEL INJECTOR CONNECTOR. 
Measure the resistance of harness between ECM and fuel injector connector on all cylinders.
Connector & terminal 
#1 (B134) No. 12 - (E5) No. 1: 
#2 (B134) No. 22 - (E16) No. 1: 
#3 (B134) No. 32 - (E6) No. 1: 
#4 (B134) No. 13 - (E17) No. 1: 
Is the resistance less than 1 Ω? Go to step . Repair the harness and connector.
NOTE: In this case, repair the following item:
  • Open circuit in harness between ECM and fuel injector connector
  • Poor contact of coupling connector
4 CHECK FUEL INJECTOR. 
Measure the resistance between all fuel injector terminals.
Terminals 
No. 1 - No. 2: 
Is the resistance 5 - 20 Ω? Go to step . Replace the faulty fuel injector. Refer to FUEL INJECTOR .
5 CHECK POWER SUPPLY LINE. 
  1. Turn the ignition switch to ON.
  2. Measure the voltage between all fuel injector connectors and the engine ground.

    Connector & terminal 

    #1 (E5) No. 2 (+) - Engine ground (-): 

    #2 (E16) No. 2 (+) - Engine ground (-): 

    #3 (E6) No. 2 (+) - Engine ground (-): 

    #4 (E17) No. 2 (+) - Engine ground (-): 

Is the voltage 10 V or more? Repair the poor contact of all connectors in fuel injector circuit. Repair the harness and connector.
NOTE: In this case, repair the following item:
  • Open circuit in harness between main relay connector and fuel injector connector
  • Poor contact of coupling connector
  • Poor contact of main relay connector
6 CHECK HARNESS BETWEEN ECM AND FUEL INJECTOR CONNECTOR. 
  1. Turn the ignition switch to OFF.
  2. Disconnect the connector from all fuel injectors.
  3. Turn the ignition switch to ON.
  4. Measure the voltage between ECM and chassis ground on all cylinders.

    Connector & terminal 

    #1 (B134) No. 12 (+) - Chassis ground (-): 

    #2 (B134) No. 22 (+) - Chassis ground (-): 

    #3 (B134) No. 32 (+) - Chassis ground (-): 

    #4 (B134) No. 13 (+) - Chassis ground (-): 

Is the voltage 10 V or more? Repair the short circuit to power in harness between ECM and fuel injector connector. Go to step .
7 CHECK FUEL INJECTOR. 
  1. Turn the ignition switch to OFF.
  2. Measure the resistance between all fuel injector terminals.

    Terminals 

    No. 1 - No. 2: 

Is the resistance 5 - 20 Ω? Go to step . Replace the faulty fuel injector. Refer to FUEL INJECTOR .
8 CHECK INSTALLATION CONDITION OF CAMSHAFT POSITION SENSOR/CRANKSHAFT POSITION SENSOR.  Is the camshaft position sensor or crankshaft position sensor loosely installed? Tighten the camshaft position sensor or crankshaft position sensor. Refer to INSTALLATION and INSTALLATION . Go to step .
9 CHECK CRANKSHAFT POSITION SENSOR PLATE.  Is the crankshaft position sensor plate rusted or does it have broken teeth? Replace the crankshaft position sensor plate. Refer to CYLINDER BLOCK . Go to step 10  .
10 CHECK INSTALLATION CONDITION OF TIMING CHAIN. 
Turn the crankshaft using ST, and align the alignment mark on crank sprocket with alignment mark on cylinder block.
ST 18252AA000 CRANKSHAFT SOCKET
Is the timing chain dislocated from its proper position? Correct the installation condition of timing chain. Refer to TIMING CHAIN ASSEMBLY . Go to step 11  .
11 CHECK FUEL LEVEL.  Is the fuel meter indication higher than the "Lower" level? Go to step 12  . Refill the fuel so that the fuel meter indication is higher than the "Lower" level, and proceed to the next step. Go to step 12  .
12 CHECK STATUS OF MALFUNCTION INDICATOR LIGHT. 
  1. Clear the memory using the Subaru Select Monitor. Refer to CLEAR MEMORY MODE .
  2. Start the engine, and drive the vehicle 10 minutes or more.
Does the malfunction indicator light illuminate or blink? Go to step 14  . Go to step 13  .
13 CHECK CAUSE OF MISFIRE.  Was the cause of misfire identified when the engine is running? Finish diagnostics operation, if the engine has no abnormality. Repair the poor contact of connector.
NOTE: In this case, repair the following item:
  • Poor contact of ignition coil connector
  • Poor contact of fuel injector connector on faulty cylinders
  • Poor contact of ECM connector
  • Poor contact of coupling connector
14 CHECK AIR INTAKE SYSTEM.  Is there any fault in air intake system? Repair the air intake system.
NOTE: Check the following items.
  • Are there air leaks or air suction caused by loose or dislocated nuts and bolts?
  • Are there cracks or any disconnection of hoses?
Go to step 15  .
15 CHECK ALL CYLINDERS.  Is there a fault in any cylinder? Repair or replace the faulty part of the faulty cylinder.
NOTE: Check the following items.
  • Spark plug
  • Ignition coil
  • Fuel injector
  • Compression ratio
  • Skipping timing chain teeth
Go to DTC P0171. Refer to DTC P0171 SYSTEM TOO LEAN (BANK 1) .