LEMON Manuals: Even more car manuals for everyone
Home >> Subaru >> 2013 >> Outback Base, Standard Trans >> Repair and Diagnosis >> Engine Performance >> System >> Engine Controls (Diagnostics) (H4DO) >> Diagnostic Procedure with Diagnostic Trouble Code (DTC) >> DTC P0102 Mass Or Volume Air Flow Circuit Low Input >> Wiring Diagram

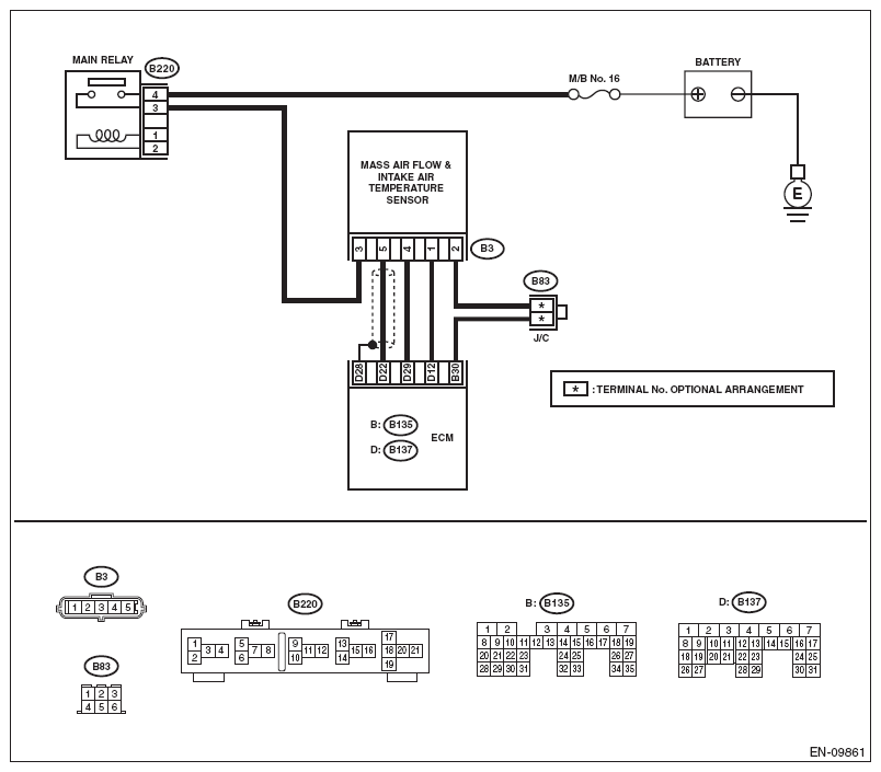
DTC P0102 Mass Or Volume Air Flow Circuit Low Input: Wiring Diagram

DIAGNOSTIC PROCEDURE

Step Check Yes No
1 CHECK CURRENT DATA. 
  1. Start the engine.
  2. Read the value of «Air Flow Sensor Voltage » using Subaru Select Monitor.
    NOTE: For detailed operation procedures, refer to "READ CURRENT DATA FOR ENGINE". Refer to SUBARU SELECT MONITOR .
Is the value of «Air Flow Sensor Voltage» less than 0.2 V? Go to step . Even if DTC is detected, the circuit has returned to a normal condition at this time. Reproduce the failure, and then perform the diagnosis again.
NOTE: In this case, temporary poor contact of connector, temporary open or short circuit of harness may be the cause.
2 CHECK POWER SUPPLY OF MASS AIR FLOW AND INTAKE AIR TEMPERATURE SENSOR. 
  1. Turn the ignition switch to OFF.
  2. Disconnect the connectors from the mass air flow and intake air temperature sensor.
  3. Turn the ignition switch to ON.
  4. Measure the voltage between mass air flow and intake air temperature sensor connector and engine ground.

    Connector & terminal 

    (B3) No. 3 (+) - Engine ground (-): 

Is the voltage 10 V or more? Go to step . Repair the harness and connector.
NOTE: In this case, repair the following item:
  • Open circuit in harness between main relay and mass air flow and intake air temperature sensor connector
  • Poor contact of main relay connector
3 CHECK HARNESS BETWEEN ECM AND MASS AIR FLOW AND INTAKE AIR TEMPERATURE SENSOR CONNECTOR. 
  1. Turn the ignition switch to OFF.
  2. Disconnect the connector from ECM.
  3. Measure the resistance of harness between ECM and the mass air flow and intake air temperature sensor connector.

    Connector & terminal 

    (B137) No. 22 - (B3) No. 5: 

Is the resistance less than 1 Ω? Go to step . Repair the open circuit in harness between ECM and the mass air flow and intake air temperature sensor connector.
4 CHECK HARNESS BETWEEN ECM AND MASS AIR FLOW AND INTAKE AIR TEMPERATURE SENSOR CONNECTOR. 
Measure the resistance between ECM and chassis ground.
Connector & terminal 
(B137) No. 22 - Chassis ground: 
Is the resistance 1 MΩ or more? Go to step . Repair the short circuit to ground in harness between ECM and mass air flow and intake air temperature sensor connector.
5 CHECK FOR POOR CONTACT. 
Check for poor contact of ECM and mass air flow and intake air temperature sensor connector.
Is there poor contact of ECM or mass air flow and intake air temperature sensor connector? Repair the poor contact of ECM or mass air flow and intake air temperature sensor connector. Replace the mass air flow and intake air temperature sensor. Refer to MASS AIR FLOW AND INTAKE AIR TEMPERATURE SENSOR .