LEMON Manuals: Even more car manuals for everyone
Home >> Subaru >> 2013 >> Outback Base, Standard Trans >> Repair and Diagnosis >> Accessories & Equipment >> Anti-Theft Systems >> Security And Locks - Keyless Access (W/Push Button Start) (Diagnostics) >> Diagnostic Procedure with Diagnostic Trouble Code (DTC) >> DTC B2285 Steering Lock Position Signal Abnormal >> Wiring Diagram

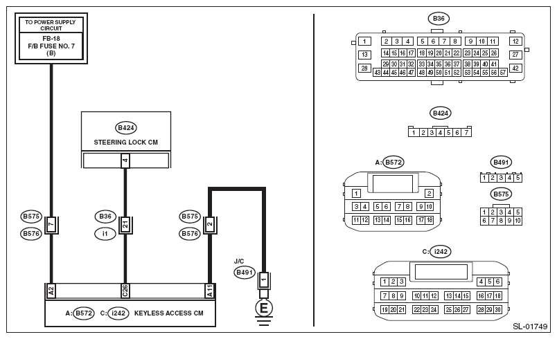
DTC B2285 Steering Lock Position Signal Abnormal: Wiring Diagram

Push button start system < Refer to appropriate SYSTEM WIRING DIAGRAM. >

Fig 1: Push Button Start System - Wiring Diagram (Steering Lock Position Signal Abnormal)
G08585649Courtesy of SUBARU OF AMERICA, INC.