LEMON Manuals: Even more car manuals for everyone
Home >> Subaru >> 2013 >> Outback Base, Standard Trans >> Repair and Diagnosis (Single Page) >> Engine Performance >> Testing & Diagnosis >> Diagnostic Trouble Code (DTC) Detecting Criteria (H4DO) >> Diagnostic Trouble Code (DTC) Detecting Criteria >> DTC P2101 Throttle Actuator Control Motor Circuit Range/Performance >> Component Description

Component Description

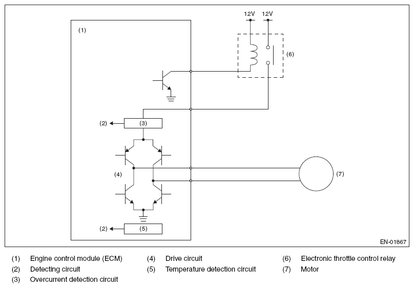
Fig 1: Throttle Actuator Control Motor - Circuit Diagram (When Motor Current Becomes Large Or Drive Circuit Is Heated)
G08580850Courtesy of SUBARU OF AMERICA, INC.