LEMON Manuals: Even more car manuals for everyone
Home >> Subaru >> 2013 >> Outback Base, Standard Trans >> Repair and Diagnosis (Single Page) >> Engine Performance >> System >> Diagnostic Trouble Code (DTC) Detecting Criteria (H4DO) >> Diagnostic Trouble Code (DTC) Detecting Criteria >> DTC P060A Internal Control Module Monitoring Processor Performance >> Component Description

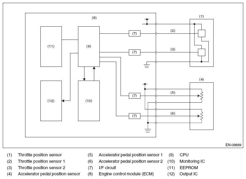
Component Description

Fig 1: Internal Control Module Monitoring Processor - Circuit Diagram
G08580838Courtesy of SUBARU OF AMERICA, INC.