LEMON Manuals: Even more car manuals for everyone
Home >> Subaru >> 2013 >> Outback Base, Standard Trans >> Repair and Diagnosis (Single Page) >> Accessories & Equipment >> Anti-Theft Systems >> Security And Locks - Keyless Access (W/Push Button Start) (Diagnostics) >> Diagnostic Procedure with Diagnostic Trouble Code (DTC) >> DTC B2283 Vehicle Speed Sensor Fault Detection >> Wiring Diagram

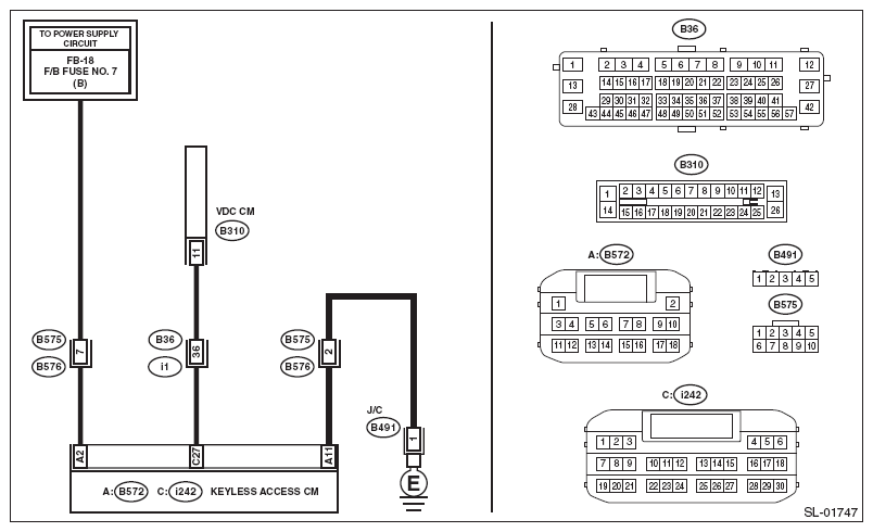
DTC B2283 Vehicle Speed Sensor Fault Detection: Wiring Diagram

Push button start system < Refer to appropriate SYSTEM WIRING DIAGRAM.>

Fig 1: Push Button Start System - Wiring Diagram (Vehicle Speed Signal Abnormal)
G08585646Courtesy of SUBARU OF AMERICA, INC.