LEMON Manuals: Even more car manuals for everyone
Home >> Subaru >> 2013 >> BRZ Premium, Automatic Trans >> Repair and Diagnosis >> External Pages >> Different car >> Section 24 (Entry Start System Entry System (Keyless Entry)) >> Entry & Start System (Entry Function) >> Smart Trunk Open Operation Does Not Work (When The Transmitter Is Located Outside Trunk) >> Circuit figure

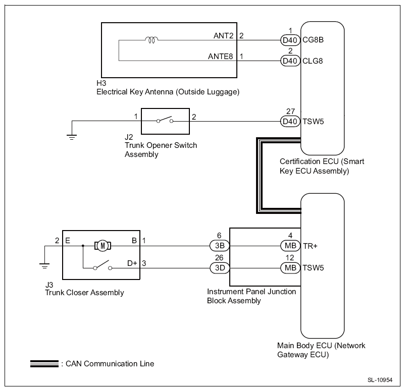
Circuit figure

WARNING: This page is about a different car, the 2018 Subaru BRZ. However, it is still accessible from the selected car via links, so may be relevant.
G12589334Courtesy of SUBARU OF AMERICA, INC.