LEMON Manuals: Even more car manuals for everyone
Home >> Subaru >> 2013 >> BRZ Premium, Automatic Trans >> Repair and Diagnosis >> Engine Performance >> System >> Engine Control System (Diagnostics) - System Troubleshooting >> VC power supply circuit >> Circuit figure

Circuit figure

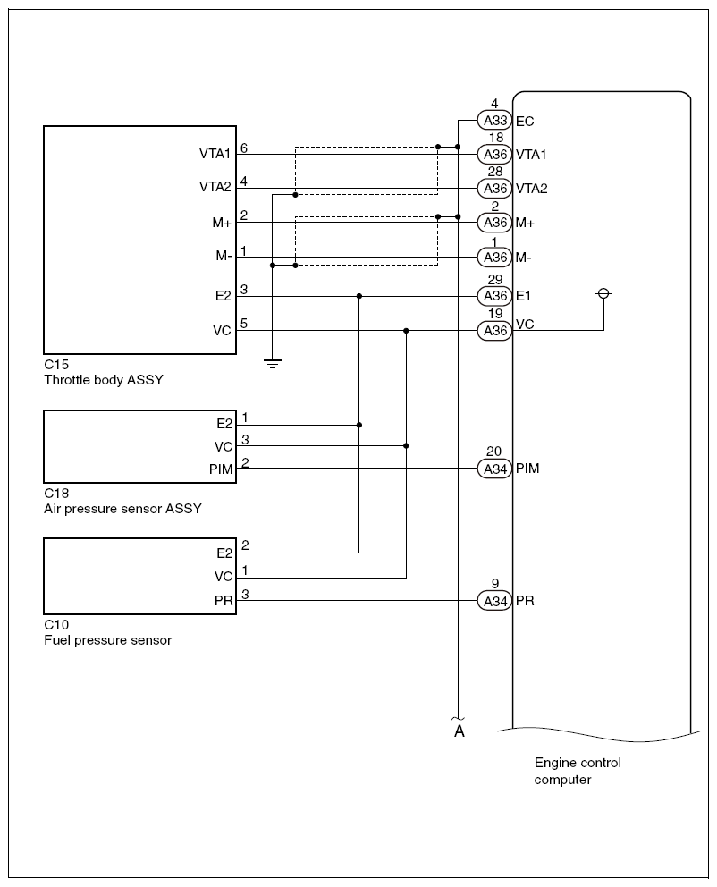
Fig 1: Throttle Body Assembly, Air Pressure Sensor Assembly And Fuel Pressure Sensor - Circuit Diagram (1 Of 2)
G08553898Courtesy of SUBARU OF AMERICA, INC.
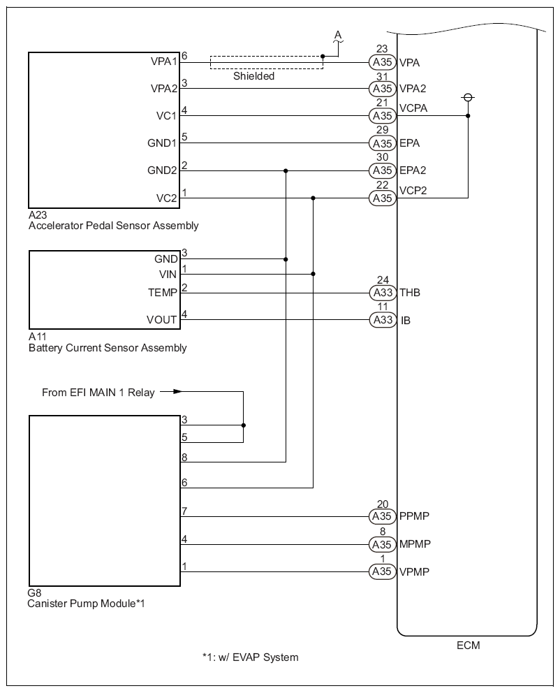
Fig 2: Throttle Body Assembly, Air Pressure Sensor Assembly And Fuel Pressure Sensor - Circuit Diagram (2 Of 2)
G08553899Courtesy of SUBARU OF AMERICA, INC.