LEMON Manuals: Even more car manuals for everyone
Home >> Subaru >> 2012 >> Tribeca Limited >> Repair and Diagnosis >> Transmission >> Transmission Control Systems >> A/T Control Systems >> AT Shift Lock Control System >> Wiring Diagram

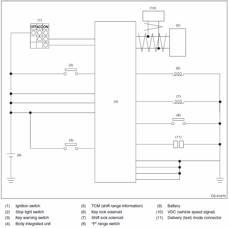
AT Shift Lock Control System: Wiring Diagram

Fig 1: AT Shift Lock Control - Wiring Diagram
G00514618Courtesy of SUBARU OF AMERICA, INC.