LEMON Manuals: Even more car manuals for everyone
Home >> Subaru >> 2012 >> Tribeca Limited >> Repair and Diagnosis >> Transmission >> Transmission Control Systems >> A/T Control Systems >> AT Shift Lock Control System >> Inspection >> Select Lever Cannot Be Locked Or Released

Select Lever Cannot Be Locked Or Released

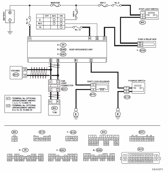
Fig 1: Select Lever Cannot Be Shifted - Circuit Diagram
G00514624Courtesy of SUBARU OF AMERICA, INC.
Fig 2: Select Lever Cannot Be Shifted Diagnosis Procedure Chart (1 Of 3)
G00514625Courtesy of SUBARU OF AMERICA, INC.
Fig 3: Select Lever Cannot Be Shifted Diagnosis Procedure Chart (2 Of 3)
G00514626Courtesy of SUBARU OF AMERICA, INC.
Fig 4: Select Lever Cannot Be Shifted Diagnosis Procedure Chart (3 Of 3)
G00514627Courtesy of SUBARU OF AMERICA, INC.